

会员
2、中心距(见下表)
|
型号 |
代号 | ||||||||||||||||
|
1 |
2 |
3 |
4 |
5 |
6 |
7 |
8 |
9 |
10 |
11 |
12 |
13 |
14 |
15 |
16 | ||
|
CWU |
第一系列 |
63 |
80 |
100 |
125 |
— |
160 |
— |
200 |
— |
250 |
— |
315 |
— |
400 |
— |
500 |
|
第二系列 |
— |
— |
— |
— |
(140) |
|
(180) |
|
(225) |
— |
280 |
— |
355 |
— |
450 |
— | |
|
CWS |
第一系列 |
63 |
80 |
100 |
125 |
— |
160 |
— |
200 |
— |
250 |
— |
315 |
— |
400 |
— |
500 |
|
第二系列 |
— |
— |
— |
— |
— |
|
— |
|
— |
— |
280 |
— |
355 |
|
450 |
| |
|
CWO |
第一系列 |
63 |
80 |
100 |
125 |
— |
160 |
— |
200 |
— |
250 |
— |
— |
— |
— |
— |
— |
|
第二系列 |
— |
— |
— |
— |
(140) |
|
(180) |
|
(225) |
— |
— |
— |
— |
— |
— |
— | |
|
传动比代号 |
1 |
2 |
3 |
4 |
5 |
6 |
7 |
8 |
9 |
10 |
11 |
12 |
|
i |
5 |
6.3 |
8 |
10 |
12.5 |
16 |
20 |
25 |
31.5 |
40 |
50 |
63 |


|
型号 |
a |
B1 |
B2 |
C1 |
C2 |
h |
H |
H1 |
d3 |
i≤12.5 | ||||
|
d1 |
I1 |
b1 |
t1 |
L1 | ||||||||||
|
CWU63 |
63 |
148 |
180 |
115 |
150 |
12 |
54 |
220 |
M12 |
19 |
28 |
6 |
21.5 |
128 |
|
CWU80 |
80 |
175 |
200 |
140 |
170 |
15 |
65 |
267 |
M12 |
24 |
36 |
8 |
27 |
151 |
|
CWU100 |
100 |
218 |
230 |
175 |
190 |
15 |
80 |
322 |
M12 |
28 |
42 |
8 |
31 |
182 |
|
型号 |
i≥16 |
d2 |
I2 |
b2 |
t2 |
L2 |
L3 |
L4 |
重量
(不包括油重) | ||||
|
d1 |
I1 |
b1 |
t1 |
L1 | |||||||||
|
CWU63 |
19 |
28 |
6 |
21.5 |
128 |
32 |
58 |
10 |
35 |
135 |
97 |
70 |
19.5 |
|
CWU80 |
24 |
36 |
8 |
27 |
151 |
38 |
58 |
10 |
41 |
143 |
110 |
81 |
28.5 |
|
CWU100 |
24 |
36 |
8 |
27 |
176 |
42 |
82 |
12 |
45 |
182 |
130 |
95 |
43 |
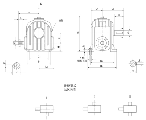
6、CWU125-500安装尺寸

|
型号 |
a |
B1 |
B2 |
C1 |
C2 |
h |
H |
H1 |
d3 |
i≤12.5 | ||||
|
d1 |
I1 |
b1 |
t1 |
L1 | ||||||||||
|
CWU125 |
125 |
260 |
250 |
310 |
205 |
30 |
125 |
408 |
M16 |
32 |
58 |
10 |
35 |
218 |
|
CWU160 |
160 |
325 |
300 |
385 |
250 |
35 |
160 |
510 |
M16 |
42 |
82 |
12 |
45 |
277 |
|
CWU200 |
200 |
400 |
350 |
465 |
300 |
40 |
200 |
650 |
M20 |
48 |
82 |
14 |
51.5 |
324 |
|
CWU250 |
250 |
510 |
410 |
575 |
350 |
45 |
225 |
790 |
M24 |
55 |
82 |
16 |
59 |
380 |
|
CWU315 |
315 |
640 |
530 |
715 |
445 |
50 |
280 |
980 |
M30 |
65 |
105 |
18 |
69 |
470 |
|
CWU400 |
400 |
790 |
620 |
880 |
530 |
60 |
315 |
1175 |
M30 |
75 |
105 |
20 |
79.5 |
545 |
|
CWU500 |
500 |
1015 |
750 |
1115 |
640 |
80 |
400 |
1450 |
M36 |
90 |
130 |
25 |
95 |
680 |
|
型号 |
i≥16 |
d2 |
I2 |
b2 |
t2 |
L2 |
L3 |
L4 |
L5 |
L6 |
重量 | ||||
|
d1 |
I1 |
b1 |
t1 |
L1 | |||||||||||
|
CWU125 |
28 |
42 |
8 |
31 |
202 |
55 |
82 |
16 |
59 |
222 |
202 |
133 |
153 |
147 |
92 |
|
CWU160 |
32 |
58 |
10 |
35 |
253 |
65 |
105 |
18 |
69 |
270 |
245 |
156 |
180 |
172 |
145 |
|
CWU200 |
38 |
58 |
10 |
41 |
300 |
80 |
130 |
22 |
85 |
325 |
295 |
180 |
235 |
197 |
262 |
|
CWU250 |
42 |
82 |
12 |
45 |
380 |
100 |
165 |
28 |
106 |
385 |
360 |
209 |
285 |
228 |
410 |
|
CWU315 |
48 |
82 |
14 |
51.5 |
447 |
120 |
165 |
32 |
127 |
420 |
430 |
242 |
352 |
289 |
821 |
|
CWU400 |
60 |
105 |
18 |
64 |
545 |
150 |
200 |
36 |
158 |
490 |
515 |
277 |
429 |
335 |
1180 |
|
CWU500 |
70 |
105 |
20 |
74.5 |
655 |
190 |
280 |
45 |
200 |
640 |
655 |
343 |
549 |
403 |
2590 |
![]() |
免责声明:以上所展示的信息由企业自行提供,内容的真实性、准确性和合法性由发布企业负责。中国减速机信息网对此不承担任何保证责任。 |
友情提醒:为保障您的利益,建议优先选择![]() ![]() 会员。
|