

会员


|
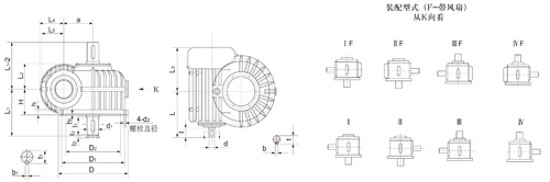
型号
尺寸 |
A |
L |
L1 |
L2 |
L3 |
L4 |
L5 |
H |
D |
D1 |
d |
d1(gc1) |
d2(gc1) |
b |
b1 |
T |
t1 |
l1 |
l2 |
重量/kg |
|
WHC120 |
120 |
250 |
243 |
240 |
229.5 |
138.5 |
108.5 |
130 |
330 |
290 |
M12 |
35 |
55 |
10 |
16 |
38.5 |
61.2 |
60 |
85 |
81~89 |
|
WHC125 |
125 |
235 |
237 |
235 |
225 |
140 |
95 |
140 |
330 |
290 |
M12 |
35 |
55 |
10 |
16 |
37.8 |
60 |
58 |
84 |
91~100 |
|
WHC150 |
150 |
300 |
283 |
280 |
271.5 |
161 |
131 |
160 |
400 |
360 |
M16 |
40 |
60 |
12 |
18 |
43.5 |
66.8 |
70 |
105 |
150~160 |
|
WHC160 |
160 |
290 |
292 |
290 |
265 |
161 |
105 |
165 |
410 |
370 |
M16 |
40 |
65 |
12 |
18 |
42.5 |
68.9 |
82 |
107 |
147~163 |
|
WHC180 |
180 |
375 |
298 |
295 |
319 |
181.5 |
148 |
185 |
465 |
425 |
M16 |
45 |
70 |
14 |
20 |
49 |
77.2 |
70 |
105 |
190 |
|
WHC200 |
200 |
360 |
347 |
345 |
365 |
207 |
130 |
200 |
490 |
450 |
M16 |
50 |
80 |
16 |
24 |
53.5 |
85 |
82 |
132 |
284~308 |
|
WHC210 |
210 |
420 |
338 |
335 |
354.5 |
210 |
167.5 |
210 |
540 |
490 |
M20 |
50 |
80 |
16 |
24 |
55 |
88.7 |
90 |
115 |
278~416 |
|
WHC250 |
250 |
490 |
373 |
370 |
417 |
222 |
185 |
230 |
620 |
570 |
M20 |
60 |
90 |
18 |
24 |
65.5 |
98.7 |
110 |
125 |
385~416 |
|
WHC280 |
280 |
485 |
432 |
235 |
485 |
213 |
195 |
240 |
690 |
630 |
M24 |
60 |
100 |
18 |
28 |
63.9 |
105.7 |
105 |
167 |
565~630 |
|
WHC300 |
300 |
580 |
412 |
410 |
497 |
244 |
211.5 |
270 |
750 |
690 |
M24 |
70 |
100 |
20 |
28 |
76 |
110 |
130 |
140 |
668~758 |
|
WHC320 |
320 |
525 |
457 |
258 |
525 |
235 |
220 |
260 |
770 |
710 |
M24 |
70 |
110 |
20 |
32 |
74.2 |
116.5 |
105 |
167 |
750~835 |
|
WHC360 |
360 |
668 |
482 |
480 |
549 |
269 |
235.5 |
300 |
900 |
830 |
M30 |
80 |
120 |
24 |
32 |
87 |
131.2 |
160 |
180 |
934~1040 |
|
WHC400 |
400 |
630 |
525 |
525 |
605 |
293 |
250 |
300 |
970 |
890 |
M30 |
80 |
130 |
24 |
36 |
85 |
137.2 |
130 |
202 |
1330~1450 |
|
WHC420 |
420 |
745 |
537 |
535 |
627 |
301 |
267 |
325 |
1000 |
930 |
M30 |
90 |
130 |
24 |
36 |
97 |
142.3 |
160 |
200 |
1380~1490 |
|
WHC450 |
450 |
680 |
560 |
560 |
670 |
321 |
280 |
340 |
1090 |
1000 |
M36 |
80 |
150 |
24 |
40 |
85 |
158.5 |
130 |
202 |
1675~1855 |
|
WHC500 |
500 |
730 |
625 |
625 |
725 |
350 |
300 |
370 |
1190 |
1100 |
M36 |
90 |
170 |
24 |
40 |
95 |
178.5 |
130 |
242 |
2190~2420 |
![]() |
免责声明:以上所展示的信息由企业自行提供,内容的真实性、准确性和合法性由发布企业负责。中国减速机信息网对此不承担任何保证责任。 |
友情提醒:为保障您的利益,建议优先选择![]() ![]() 会员。
|