

会员


|
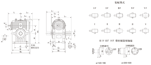
型号
尺寸 |
A |
L |
L1 |
L2 |
L3 |
L4 |
H |
H1 |
B |
B1 |
C |
C1 |
d |
d1(gc1) |
d2(gc1) |
b |
b1 |
t |
t1 |
l1 |
l2 |
重量/kg |
|
WHS120 |
120 |
250 |
240 |
145 |
229.5 |
136.5 |
160 |
406 |
275 |
230 |
215 |
190 |
M16 |
35 |
55 |
10 |
16 |
38.5 |
61.2 |
60 |
82 |
92~97 |
|
WHS125 |
125 |
235 |
235 |
145 |
225 |
134 |
160 |
416 |
270 |
230 |
210 |
190 |
M16 |
35 |
55 |
10 |
16 |
37.8 |
58.5 |
58 |
82 |
95~104 |
|
WHS150 |
150 |
300 |
280 |
165 |
270.5 |
153.5 |
200 |
495.5 |
320 |
260 |
240 |
210 |
M20 |
40 |
60 |
12 |
18 |
43.5 |
66.8 |
70 |
102 |
146~160 |
|
WHS160 |
160 |
290 |
290 |
165 |
265 |
154 |
200 |
510 |
330 |
270 |
250 |
220 |
M20 |
40 |
65 |
12 |
18 |
42.8 |
68.9 |
82 |
105 |
148~164 |
|
WHS180 |
180 |
375 |
295 |
180 |
319 |
169 |
230 |
575 |
385 |
290 |
305 |
240 |
M20 |
45 |
70 |
14 |
20 |
49 |
77.2 |
70 |
102 |
210~230 |
|
WHS200 |
200 |
360 |
345 |
195 |
365 |
184 |
250 |
643 |
430 |
320 |
330 |
270 |
M20 |
50 |
80 |
16 |
24 |
53.5 |
85 |
82 |
130 |
298~322 |
|
WHS210 |
210 |
420 |
335 |
200 |
354.5 |
194 |
270 |
665.5 |
440 |
330 |
350 |
270 |
M24 |
50 |
80 |
16 |
24 |
55 |
88.7 |
90 |
112 |
285 |
|
WHS250 |
250 |
490 |
370 |
220 |
417 |
214 |
310 |
762 |
510 |
370 |
410 |
310 |
M24 |
60 |
90 |
18 |
24 |
65.5 |
98.7 |
110 |
122 |
415~450 |
|
WHS280 |
280 |
485 |
430 |
245 |
485 |
233 |
320 |
839 |
610 |
410 |
480 |
340 |
M24 |
60 |
100 |
18 |
28 |
63.9 |
105.7 |
105 |
165 |
560~725 |
|
WHS300 |
300 |
580 |
410 |
250 |
497 |
242 |
350 |
906 |
620 |
410 |
510 |
340 |
M30 |
70 |
100 |
20 |
28 |
76 |
110 |
130 |
138 |
645~743 |
|
WHS320 |
320 |
525 |
455 |
265 |
525 |
256 |
355 |
951 |
680 |
460 |
550 |
380 |
M30 |
70 |
110 |
20 |
32 |
74.2 |
116.5 |
105 |
165 |
740~825 |
|
WHS360 |
360 |
668 |
480 |
270 |
549 |
267 |
400 |
1031 |
740 |
460 |
620 |
390 |
M30 |
80 |
120 |
24 |
32 |
87 |
131.2 |
160 |
178 |
896~990 |
|
WHS400 |
400 |
630 |
525 |
300 |
605 |
291 |
450 |
1173 |
820 |
540 |
660 |
450 |
M30 |
80 |
130 |
24 |
36 |
85 |
137.2 |
130 |
200 |
1305~1425 |
|
WHS420 |
420 |
745 |
535 |
310 |
687 |
299 |
460 |
1208 |
850 |
520 |
720 |
440 |
M30 |
90 |
130 |
24 |
36 |
97 |
142.3 |
160 |
198 |
1380~1530 |
|
WHS450 |
450 |
680 |
560 |
325 |
670 |
319 |
500 |
1312 |
910 |
590 |
730 |
490 |
M36 |
80 |
150 |
24 |
40 |
85 |
158.5 |
130 |
200 |
1650~1830 |
|
WHS500 |
500 |
730 |
625 |
355 |
725 |
348 |
560 |
1460 |
1000 |
640 |
810 |
530 |
M36 |
90 |
170 |
24 |
40 |
95 |
178.5 |
130 |
240 |
2070~2300 |
![]() |
免责声明:以上所展示的信息由企业自行提供,内容的真实性、准确性和合法性由发布企业负责。中国减速机信息网对此不承担任何保证责任。 |
友情提醒:为保障您的利益,建议优先选择![]() ![]() 会员。
|