

会员


|
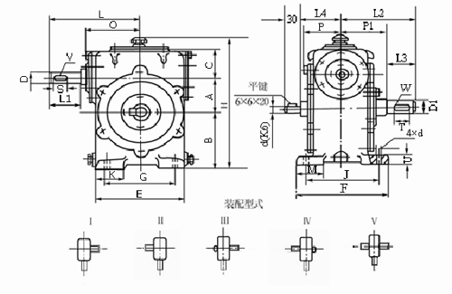
型号 |
A |
B |
C |
D |
D1 |
E |
F |
G |
H |
J |
K |
L |
L1 |
L2 |
L3 |
L4 |
|
WS80 |
80 |
120 |
65 |
20 |
35 |
190 |
200 |
150 |
295 |
160 |
60 |
190 |
50 |
160 |
60 |
90 |
|
WS100 |
100 |
140 |
70 |
25 |
40 |
240 |
210 |
180 |
340 |
170 |
70 |
225 |
55 |
170 |
70 |
100 |
|
WS120 |
120 |
160 |
75 |
30 |
45 |
270 |
220 |
200 |
385 |
180 |
80 |
255 |
60 |
185 |
70 |
110 |
|
型号 |
M |
O |
P |
P1 |
S |
T |
U |
V(b×h) |
W(b×h) |
d |
转动惯量(kg·m2) |
质量 |
|
WS80 |
60 |
120 |
83.5 |
100 |
40 |
50 |
20 |
6×6 |
10×8 |
18 |
0.265×10-3 |
36.7~39 |
|
WS100 |
70 |
145 |
90 |
100 |
40 |
60 |
20 |
8×7 |
12×8 |
18 |
0.84×10-3 |
53~65 |
|
WS120 |
80 |
165 |
102 |
115 |
50 |
60 |
20 |
8×7 |
14×9 |
18 |
1.79×10-3 |
73.4~79.7 |

|
型号 |
A |
B |
C |
D |
D1 |
E |
F |
G |
H |
J |
K |
L |
L1 |
L2 |
L3 |
L4 |
M |
N |
|
WS150 |
150 |
210 |
105 |
35 |
65 |
370 |
340 |
310 |
513 |
280 |
100 |
305 |
60 |
320 |
110 |
190 |
90 |
245 |
|
WS180 |
180 |
250 |
125 |
40 |
70 |
430 |
360 |
360 |
603 |
300 |
120 |
350 |
70 |
350 |
110 |
215 |
90 |
250 |
|
WS210 |
210 |
280 |
135 |
45 |
80 |
490 |
400 |
400 |
673 |
320 |
140 |
400 |
70 |
380 |
125 |
225 |
100 |
282 |
|
WS250 |
250 |
330 |
145 |
50 |
90 |
570 |
430 |
440 |
773 |
360 |
160 |
450 |
90 |
405 |
140 |
240 |
120 |
325 |
|
WS300 |
300 |
390 |
165 |
70 |
120 |
670 |
500 |
520 |
903 |
420 |
200 |
510 |
110 |
460 |
160 |
270 |
150 |
385 |
|
WS360 |
360 |
460 |
200 |
80 |
150 |
840 |
610 |
650 |
1068 |
440 |
240 |
635 |
125 |
575 |
200 |
340 |
180 |
470 |
|
型号 |
O |
P |
P1 |
Q |
R |
S |
T |
U |
V |
W |
d |
转动惯量(kg·m2) |
质量(Kg ) |
|
WS150 |
230 |
180 |
210 |
455 |
200 |
50 |
100 |
30 |
10×8 |
18×11 |
22 |
3.1×10-3 |
146~163 |
|
WS180 |
270 |
205 |
240 |
515 |
230 |
60 |
100 |
30 |
12×8 |
20×12 |
22 |
7.62510-3 |
263~295.5 |
|
WS210 |
300 |
215 |
255 |
585 |
250 |
70 |
110 |
30 |
14×9 |
24×14 |
22 |
23.5×10-3 |
318~364 |
|
WS250 |
340 |
225 |
295 |
665 |
270 |
80 |
125 |
40 |
16×10 |
24×14 |
26 |
79×10-3 |
484~547 |
|
WS300 |
403 |
255 |
300 |
765 |
310 |
90 |
140 |
50 |
20×12 |
32×18 |
32 |
143×10-3 |
761~894 |
|
WS360 |
490 |
325 |
375 |
965 |
360 |
110 |
180 |
50 |
24×14 |
40×22 |
39 |
223×10-3 |
1290~1450 |
![]() |
免责声明:以上所展示的信息由企业自行提供,内容的真实性、准确性和合法性由发布企业负责。中国减速机信息网对此不承担任何保证责任。 |
友情提醒:为保障您的利益,建议优先选择![]() ![]() 会员。
|