

会员
巴普曼行星减速机适用于松下、三菱、安川、富士、东元、台达、力川、施耐德、汉德保、华大、东方、白山、雷赛等各品牌伺服电机与步进电机。
作为全球工业自动化系统解决方案领域的领跑者,在BUPERMANN(巴普曼),您可以享受系统的、专业的一站式服务:从自动化配件直至自动化设备整套解决方案。我们承诺不断提供高质量的产品和世界知名的自动化技术满足客户需求,与客户成为共赢的合作伙伴。
行星减速机产品性能特点:
1.低噪音:采用螺旋齿轮设计,实现了减速机的顺畅,安静运转。
2.高精度:背隙可达3弧分之间,定位精确。
3.高刚性、高负载:输出轴采用并列式圆锥滚子轴承设计,大大提高了减速机刚性和负载能力。
4.高效率:单段可达95%以上,双段可达92%以上。
5.免维护:油脂磨耗低,可终身润滑。
6.密封效果好:润滑油脂具有高粘度,不易分离的特性,并采用IP65防护等级,确保无润滑油脂泄露。
7.自由安装:可任意安装减速机。
8.适用性广:适用于任意型式伺服电机。
BPBR行星减速机是一款配有正方形输出法兰的直角减速机。因此,其安装十分便捷,可多面使用,而且由于配有较大规格的深沟球轴承,还能承受较高的径向力和轴向力。
行星减速机产品参数:
传动比:Ⅰ级: 4, 5, 7, 10 Ⅱ级:20, 25, 35, 40, 50, 70, 100
满载时效率:Ⅰ级:≥95 Ⅱ级:≥92
工作温度:-10
工作温度:+ 90
防护等级:IP65
标准回程间隙:Ⅰ级:≤5 Ⅱ级:≤8
抗扭刚度:151
额定输入转数:3000
输入转数:6000
更多型号及参数登录:http://www.bupermann.com/
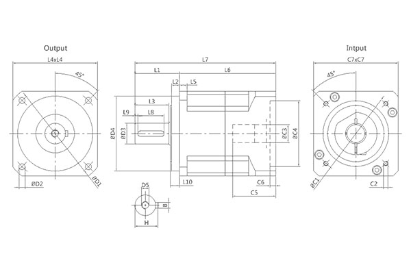
行星减速机产品安装尺寸:

行星减速机产品图片:



![]() |
友情提醒:为保障您的利益,建议优先选择![]() ![]() 会员。
|