产品展示
|
电机功率
(kW) |
输出转速
(r/min) |
输出转矩
(N·m) |
传动比
(i) |
使用系数
(fB) |
机型号 |
电机极数 |
重量(kg) |
|
75 |
11
13
14
17
20
23
28
32 |
63461
54699
49901
42104
36040
31188
25493
22455 |
131.13
113.03
103.11
87.00
74.47
64.44
52.68
46.40 |
0.80
0.91
1.00
1.19
1.39
1.60
1.96
2.2 |
MJ187
MJA187 |
4P
4P |
2644
2584 |
|
19
22
24
30
35
44
51
59 |
36967
32995
29611
23568
20415
16111
13956
12145 |
76.39
68.18
61.19
48.70
42.18
33.29
28.84
25.10 |
0.87
0.97
1.08
1.36
1.57
1.99
2.3
2.6 |
MJ167
MJA167 |
4P
4P |
1924
1884 | |
|
40
42
47
53
64
67
79
99
114 |
17945
16983
15162
13404
11274
10669
9097
7251
6267 |
37.08
35.09
31.33
27.70
23.30
22.05
18.80
14.98
12.95 |
1.00
1.06
1.19
1.34
1.60
1.69
1.98
2.5
2.9 |
MJ157
MJA157
MJF157
MJAF157 |
4P
4P
4P
4P |
1424
1384
1504
1444 | |
|
47
50
53
58
62
71
85
92
105
118
141
168 |
15299
14409
13581
12269
11491
10122
8435
7773
6847
6058
5072
4265 |
31.61
29.77
28.06
25.35
23.74
20.91
17.43
16.06
14.15
12.52
10.48
8.81 |
0.85
0.90
0.96
1.06
1.13
1.28
1.54
1.61
1.75
1.40
1.58
1.70 |
MJ127
MJA127
MJF127
MJAF127 |
4P
4P
4P
4P |
1064
1034
1104
1074 |
|
电机功率
(kW) |
输出转速
(r/min) |
输出转矩
(N·m) |
传动比
(i) |
使用系数
(fB) |
机型号 |
电机极数 |
重量(kg) |
|
90 |
17
20
23
28
32
34
38 |
50525
43247
37426
30591
26946
25334
22455 |
87.00
74.47
64.44
52.68
46.40
43.62
38.67 |
0.99
1.16
1.34
1.63
1.86
1.97
2.2 |
MJ187
MJA187 |
4P
4P |
2702
2642 |
|
24
30
35
44
51
59
71
88 |
35533
28281
24498
19334
16747
14575
12143
9809 |
61.19
48.70
42.18
33.29
28.84
25.10
20.91
16.89 |
0.90
1.13
1.31
1.66
1.91
2.2
2.6
3.1 |
MJ167
MJA167 |
4P
4P |
1982
1942 | |
|
40
42
47
53
64
67
79
99
114 |
21534
20379
18194
16084
13529
12803
10916
8701
7520 |
37.08
35.09
31.33
27.70
23.30
22.05
18.80
14.98
12.95 |
0.84
0.88
0.99
1.12
1.33
1.41
1.65
2.1
2.2 |
MJ157
MJA157
MJF157
MJAF157 |
4P
4P
4P
4P |
1482
1442
1562
1502 | |
|
62
71
85
92
105
118
141
168 |
13789
12146
10122
9327
8216
7269
6086
5118 |
23.74
20.91
17.43
16.06
14.15
12.52
10.48
8.81 |
0.94
1.07
1.28
1.29
1.46
1.17
1.31
1.41 |
MJ127
MJA127
MJF127
MJAF127 |
4P
4P
4P
4P |
1122
1092
1162
1132 |
|
电机功率
(kW) |
输出转速
(r/min) |
输出转矩
(N·m) |
传动比
(i) |
使用系数
(fB) |
机型号 |
电机极数 |
重量(kg) |
|
110 |
17
20
23
28
32
34
38
45
54 |
61752
52858
45742
37390
32935
30964
27445
23490
19453 |
87.00
74.47
64.44
52.68
46.40
43.62
38.67
33.09
27.41 |
0.81
0.95
1.09
1.34
1.52
1.61
1.82
2.1
2.6 |
MJ187
MJA187 |
4P
4P |
3040
2980 |
|
30
35
44
44
51
59
71
88 |
34566
29942
23630
23630
20469
17813
14845
11991 |
48.70
42.18
33.29
33.29
28.84
25.10
20.91
16.89 |
0.93
1.07
1.35
1.35
1.56
1.80
2.2
2.7 |
MJ167
MJA167 |
4P
4P |
2320
2280 | |
|
53
64
67
79
99
114 |
19659
16535
15648
13342
10635
9191 |
27.70
23.30
22.05
18.80
14.98
12.95 |
0.92
1.09
1.15
1.35
1.69
1.85 |
MJ157
MJA157
MJF157
MJAF157 |
4P
4P
4P
4P |
1820
1780
1900
1840 |
|
电机功率
(kW) |
输出转速
(r/min) |
输出转矩
(N·m) |
传动比
(i) |
使用系数
(fB) |
机型号 |
电机极数 |
重量(kg) |
|
132 |
20
23
28
32
34
38
45
54
61
71
86 |
63430
54891
44867
39522
37157
32935
28188
23344
20691
17709
14665 |
74.47
64.44
52.68
46.40
43.62
38.67
33.09
27.41
24.29
20.79
17.22 |
0.80
0.91
1.11
1.27
1.35
1.52
1.77
2.1
2.3
2.5
2.8 |
MJ187
MJA187 |
4P
4P |
3140
3080 |
|
35
44
51
59
71
88 |
35930
28356
24562
21376
17814
14389 |
42.18
33.29
28.84
25.10
20.91
16.89 |
0.89
1.13
1.30
1.50
1.80
2.2 |
MJ167
MJA167 |
4P
4P |
2420
2380 | |
|
64
67
79
99
114 |
19842
18778
16011
12762
11030 |
23.30
22.05
18.80
14.98
12.95 |
0.91
0.96
1.12
1.41
1.54 |
MJ157
MJA157
MJF157
MJAF157 |
4P
4P
4P
4P |
1920
1880
2000
1940 |
|
电机功率
(kW) |
输出转速
(r/min) |
输出转矩
(N·m) |
传动比
(i) |
使用系数
(fB) |
机型号 |
电机极数 |
重量(kg) |
|
160 |
28
32
34
38
45
54
61
71
86 |
54385
47905
45039
39921
34167
28295
25080
21465
17776 |
52.68
46.40
43.62
38.67
33.09
27.41
24.29
20.79
17.22 |
0.92
1.04
1.11
1.25
1.46
1.77
1.99
2.3
2.8 |
MJ187
MJA187 |
4P
4P |
3260
3200 |
|
44
51
59
71
88 |
34371
29773
25910
21593
17441 |
33.29
28.84
25.10
20.91
16.89 |
0.93
1.07
1.24
1.48
1.83 |
MJ167
MJA167 |
4P
4P |
2440
240 | |
|
79
99
114 |
19407
15469
13369 |
18.80
14.98
12.95 |
0.93
1.16
1.35 |
MJ157
MJA157
MJF157
MJAF157 |
4P
4P
4P
4P |
1940
1900
2020
1960 |
|
电机功率
(kW) |
输出转速
(r/min) |
输出转矩
(N·m) |
传动比
(i) |
使用系数
(fB) |
机型号 |
电机极数 |
重量(kg) |
|
200 |
32
34
38
45
54
61
71
86 |
59881
56298
49901
42709
35369
31350
26831
22220 |
46.40
43.62
38.67
33.09
27.41
24.29
20.79
17.22 |
0.83
0.89
1.00
1.17
1.41
1.52
1.62
1.85 |
MJ187
MJA187 |
4P
4P |
3210
3150 |
|
59
71
88 |
32388
26992
21801 |
25.10
20.91
16.89 |
0.99
1.19
1.47 |
MJ167
MJA167 |
4P
4P |
2490
2450 | |
|
99
114 |
19336
16711 |
14.98
12.95 |
0.93
1.02 |
MJ157
MJA157
MJF157
MJAF157 |
4P
4P
4P
4P |
1990
1950
2070
2010 |

MJ37-157安装结构尺寸图表
|
型号 |
安装尺寸 |
轴伸尺寸 |
外形尺寸 | |||||||||||
|
H0 |
B0
A0 |
C0
a2 |
a3
q |
A1
d0 |
d |
l |
S |
b
c |
B
H |
L1
h |
W
h1 |
A
C1 |
L2 | |
|
MJ37 |
100 |
100
110 |
115
28 |
32
63 |
10
11 |
25k6 |
50 |
M10 |
8
28 |
120
165 |
142
16 |
110
7 |
150
145 |
|
|
MJ47 |
112 |
120
130 |
130
35 |
37
71 |
15
11 |
30k6 |
60 |
M10 |
8
33 |
145
186 |
166
18 |
135
6.3 |
165
170 | |
|
MJ57 |
132 |
130
130 |
150
30 |
45
80 |
18
13.5 |
35k6 |
70 |
M12 |
10
38 |
157
217 |
175
21 |
153
16.1 |
172
190 | |
|
MJ67 |
140 |
140
120 |
160
30 |
45
90 |
21
13.5 |
40k6 |
80 |
M16 |
12
43 |
170
228 |
179
24 |
171
20 |
175
203 | |
|
MJ77 |
180 |
165
150 |
200
40 |
55
112 |
23.5
18 |
50k6 |
100 |
M16 |
14
53.5 |
200
288 |
202
27 |
206
31.3 |
205
263 | |
|
MJ87 |
212 |
180
180 |
233
55 |
70
132 |
30
22 |
60m6 |
120 |
M20 |
18
64 |
230
340 |
257
32 |
240
25.9 |
255
311 | |
|
MJ97 |
265 |
240
240 |
295
75 |
75
160 |
31
26 |
70m6 |
140 |
M20 |
20
74.5 |
290
414 |
277
36 |
291
32.3 |
320
372 | |
|
MJ107 |
315 |
270
280 |
360
95 |
95
200 |
42
33 |
90m6 |
170 |
M24 |
25
95 |
340
505 |
354
40 |
347
53.5 |
390
455 | |
|
MJ127 |
375 |
330
350 |
420
115 |
110
225 |
43
39 |
110m6 |
210 |
M24 |
28
116 |
400
592 |
390
45 |
418
57.2 |
460
526 | |
|
MJ157 |
450 |
420
380 |
500
140 |
130
280 |
37
39 |
120m6 |
210 |
M24 |
32
127 |
500
705 |
426
50 |
457
77 |
495
634 | |



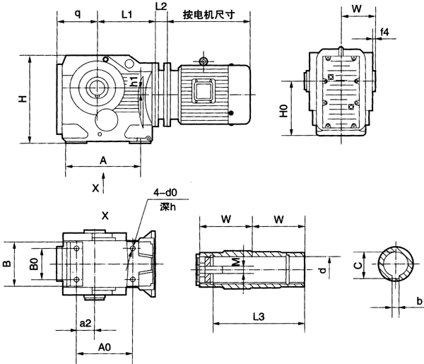
MJA37-107安装结构尺寸图表
|
型号 |
安装尺寸 |
轴伸尺寸 |
外形尺寸 | |||||||||||
|
H0 |
B0
a2 |
A0 |
d0
h |
d |
b
c |
L3 |
M |
B |
q
L1 |
H |
W
f4 |
h1
A |
L2 | |
|
MJA37 |
100 |
60
35 |
117 |
M10
20 |
30H7 |
8
33.3 |
105 |
M10 |
95 |
71
142 |
165 |
60
2.5 |
7
147 |
|
|
MJA47 |
112 |
70
40 |
140 |
M10
20 |
35H7 |
10
38.3 |
130 |
M12 |
108 |
75
166 |
185 |
75
2.5 |
6.3
175 | |
|
MJA57 |
132 |
88
47 |
152 |
M12
20 |
40H7 |
12
43.3 |
142 |
M16 |
122 |
96
175 |
215 |
83
3 |
16.1
182 | |
|
MJA67 |
140 |
88
42 |
152 |
M12
25 |
40H7 |
12
43.3 |
156 |
M16 |
124 |
94
179 |
228 |
90
3.5 |
20
207 | |
|
MJA77 |
180 |
102
48 |
170 |
M16
32 |
50H7 |
14
53.8 |
183 |
M16 |
146 |
109
202 |
288 |
105
4 |
31.3
225 | |
|
MJA87 |
212 |
118
65 |
225 |
M16
32 |
60H7 |
18
64.4 |
210 |
M20 |
190 |
132
257 |
340 |
120
4 |
25.9
300 | |
|
MJA97 |
265 |
160
83 |
248 |
M20
36 |
70H7 |
20
74.9 |
270 |
M20 |
240 |
158
277 |
414 |
150
4 |
32.3
328 | |
|
MJA107 |
315 |
190
100 |
290 |
M24
44 |
90H7 |
25
95.4 |
310 |
M24 |
266 |
199
354 |
505 |
175
2.5 |
52.3
400 | |
| 页次:4/6 每页10条 共52条信息 分页:[1][2][3][4][5][6] |
