会员登录  浏览量:2745379次
温州布鲁克纳减速机有限公司
Wenzhou Bulukenai reducer Co., Ltd

Product list产品列表

Customer service在线客服

微信:

E-mail:  jiansuji001@163.com

产品展示

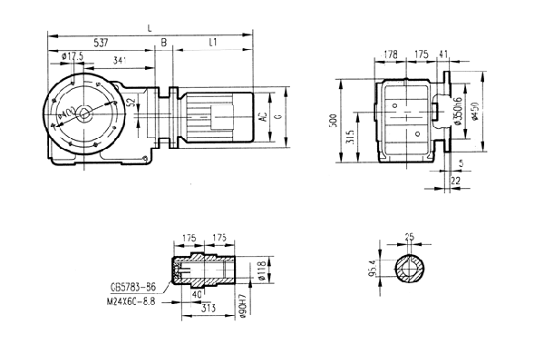
GKAF107型斜齿轮弧齿锥齿轮减速电机安装结构图尺寸

GKAF107型斜齿轮弧齿锥齿轮减速电机安装结构图尺寸

法兰联接式(Y2标准电机)
电机机座号
100L
112M
132S
132M
160M
160L
180M
180L
200
225S
225M
AC
215
240
275
275
330
330
380
380
420
470
470
AD
180
190
210
210
255
255
280
280
305
335
335
B
68
68
106
106
126
126
126
126
140
170
170
G
250
250
300
300
350
350
350
350
400
450
450
L1
325
340
390
430
505
560
590
630
660
675
705
L
930
945
1033
1073
1168
1223
1253
1293
1337
1382
1412

GKAF127型斜齿轮弧齿锥齿轮减速电机安装结构图尺寸

GKAF127型斜齿轮弧齿锥齿轮减速电机安装结构图尺寸

法兰联接式(Y2标准电机)
电机机座号
132M
160M
160L
180M
180L
200
225S
225M
250M
280S
280M
AC
275
330
330
380
380
420
470
470
510
580
580
AD
210
255
255
280
280
305
335
335
370
410
410
B
98.5
120
120
120
120
139
169
169
192.5
192.5
192.5
G
300
350
350
350
350
400
450
450
550
550
550
L1
430
505
560
590
630
660
675
705
770
845
895
L
1143.5
1240
1295
1325
1365
1414
1459
1489
1577.5
1652.5
1702.5

GKA157型斜齿轮弧齿锥齿轮减速电机安装结构图尺寸

GKA157型斜齿轮弧齿锥齿轮减速电机安装结构图尺寸

法兰联接式(Y2标准电机)
电机机座号
160M
160L
180M
180L
200
225S
225M
250M
280S
280M
315S
315M
AC
330
330
380
380
420
470
470
510
580
580
645
645
AD
255
255
280
280
305
335
335
370
410
410
530
530
B
115
115
115
115
160
170
170
192.5
192.5
192.5
260
260
G
350
350
350
350
400
450
450
550
550
550
660
660
L1
505
560
590
630
660
675
705
770
845
895
1100
1130
L
1326
1381
1411
1451
1526
1551
1581
1668.5
1743.5
1793.5
2066
2096

GKAT37-107型斜齿轮弧齿锥齿轮减速电机安装结构图尺寸

GKAT37-107型斜齿轮弧齿锥齿轮减速电机安装结构图尺寸

机型号
a4
β
C8
i
P
R
H0
d1
L
L2
GKAT37
23.5
60°
10
20
140
22.5
100-0.5
10.4
36
31
GKAT47
30
55°
12
20
160
22.5
112-0.5
10.4
36
31
GKAT57
40
55°
13
18
192
29
132-0.5
16.4
60
54
GKAT67
45
55°
13
25
200
29
140-0.5
16.4
60
54
GKAT77
52.5
60°
14
25
250
29
180-0.5
16.4
60
54
GKAT87
60
60°
16
30
300
41
212-0.5
25
80
72
GKAT97
70
50°
17
40
350
41
265-1
25
100
92
GKAT107
74
55°
20
45
450
41
315-1
25
100
92
其它尺寸请按照GKA型。
注:Ⅰ:螺拴、Ⅱ:螺母用户自配

GK127-157型斜齿轮弧齿锥齿轮减速电机安装结构图尺寸

GK127-157型斜齿轮弧齿锥齿轮减速电机安装结构图尺寸

机型号
a4
β
C8
i
P
R
H0
d1
L
L2
GKAT127
60
65°
45
7
550
70
375-1
40
126
110
GKAT157
50
70°
45
2
700
70
450-1
40
126
100
其它尺寸请按照GKA型。
注:Ⅰ:螺拴、Ⅱ:螺母用户自配

GKSZ37-157型斜齿轮弧齿锥齿轮减速电机安装结构图尺寸

GKSZ37-157型斜齿轮弧齿锥齿轮减速电机安装结构图尺寸

机型号
d1
g2
k2
l1
S
L13
L14
f1
u1
h
GKSZ37
16K6
120
115
40
M5
4
32
18
5
8.5
GKSZ47
19K6
160
120
40
M6
4
32
21.5
6
7.2
GKSZ57
19K6
160
120
40
M6
4
32
21.5
6
13.1
GKSZ67
19K6
160
120
40
M6
4
32
21.5
6
20
GKSZ77
24K6
200
140
50
M8
5
40
27
8
31.3
GKSZ87
28K6
250
180
60
M10
5
50
31
8
25.9
GKSZ97
38K6
300
220
80
M12
5
70
41
10
32.3
GKSZ107
42K6
350
270
110
M16
10
70
45
12
52
GKSZ127
55m6
450
297
110
M20
10
90
59
16
53
GKSZ157
70m6
550
374
140
M20
15
110
74.5
20
71.7
其它尺寸请按照GK型。
注:GKF/GKA/GKAB/GKAF也可用双轴型,并记为GKFSZ/GKASZ/GKABSZ/GKAFSZ。

GK..R安装结构尺寸

GK..R安装结构尺寸

机型号
电机机座号
L
GK..37R17
63
175
71
180.5
80
190.5
GK..47R37
GK..67R37
63
202
71
207.5
80
217.5
GK..57R37
63
202
71
207.5
80
217.5
90
217.5
GK..77R37
63
202
71
207.5
80
217.5
90
217.5
GK..87R57
63
231.5
71
237
80
256
90
256
100
268
GK..97R57
63
231.5
71
237
80
256
90
256
100
268
112
268
GK..107R77
63
264.5
71
270
80
290
90
290
100
295
112
295
132
316.5
160
345
 

机型号
电机机座号
L
GK..127R77
63
264.5
71
270
80
290
90
290
100
295
112
295
132
316.5
160
345
GK..127R87
90
342
100
354
112
354
132
364
160
402
180
402
GK..157R97
80
385
90
385
100
401.5
112
401.5
132
412
160
445
180
445
200
472
GK..157R107
100
423
112
423
132
461
160
481
180
481
200
495
225
525

Y2系列电机外形及安装尺寸

Y2系列电机外形及安装尺寸

Y2系列电机外形及安装尺寸
机座号
安装尺寸及外形尺寸
D
E
F×GD
G
M
N
P
S
T
AC
AD
LA
HF
L1
2P
4-10P
2P
4-10P
2P
4-10P
2P
4-10P
2P
4-10P
63M
11
23
4×4
8.5
115
95
140
10
3
130
70
10
130
207
71M
14
30
5×5
11
130
110
160
3.5
145
80
10
145
225
80M
19
40
6×6
15.5
165
130
200
12
175
145
12
185
255
90S
24
50
8×7
20
195
155
12
195
270
90L
12
295
100L
28
60
24
215
180
250
15
4
215
180
14
245
325
112M
240
190
14
265
340
132S
38
80
10×8
33
265
230
300
275
210
14
315
390
132M
14
430
160M
42
110
12×8
37
300
250
350
19
5
330
255
16
385
505
160L
16
560
180M
48
14×9
42.5
380
280
18
430
590
180L
18
630
200L
55
16×10
49
350
300
400
420
305
18
480
660
225S
 
60
 
140
16×10
18×11
 
53
400
350
450
470
335
20
535
675
225M
55
60
110
140
49
53
20
710
705
250M
60
65
140
18×11
53
58
500
450
550
510
370
22
595
770
280S
65
75
18×11
20×12
58
67.5
580
410
22
650
845
280M
22
895
315S
65
80
140
170
18×11
22×14
58
71
600
550
660
24
6
645
530
25
845
1020
1100
315M
25
1050
1130
YEJ系列电机安装及外形尺寸

机座号
80
90S
90L
100L
112M
132S
132M
160M
160L
180M
180L
200L
225S
225M
L1
350
370
395
420
450
505
545
610
655
715
765
790
860
890

注:图形参照附录A,其它尺寸同Y2系列电机.
附录
G...系列减速电机最大输出转矩表
GRX系列

机型号
GR×57
GR×67
GR×77
GR×87
GR×97
GR×107
 
 
 
 
 
 
 
最大输出转矩
70
135
215
400
600
830
 
 
 
 
 
 
 

GR系列

机型号
GR..17
GR..27
GR..37
GR..47
GR..57
GR..67
GR..77
GR..87
GR..97
GR..107
GR..137
GR..147
GR..167
最大输出转矩
85
130
200
300
450
600
820
1550
3000
4300
8000
13000
18000

GS系列

机型号
GS..37
GS..47
GS..57
GS..67
GS..77
GS..87
GS..97
 
 
 
 
 
 
最大输出转矩
87
190
350
570
1220
2300
4000
 
 
 
 
 
 

 
 
GK系列

机型号
GK..37
GK..47
GK..57
GK..67
GK..77
GK..87
GK..97
GK..107
GK..127
GK..157
 
 
 
最大输出转矩
200
400
600
820
1550
2700
4300
8000
13000
18000
 
 
 

GF系列

机型号
GF..37
GF..47
GF..57
GF..67
GF..77
GF..87
GF..97
GF..107
GF..127
GF..157
 
 
 
最大输出转矩
200
400
600
820
1550
2700
4300
8000
13000
18000
 
 
 

GK系列减速电机的选型参数表(电机功率为0.12KW)

电机功率[kW]
输出转速[1/min]
输出转矩[Nm]
传动比
i
许用径向载荷[N]
使用系数fB
机型号
电机极数
质量
[kg]
0.12
 
0.08
0.08
0.09
0.11
0.12
0.13
0.16
0.18
13734
12521
11719
9736
8542
7738
6605
5786
17396
15859
14843
12331
10819
9801
8366
7329
75810
76380
76665
77425
77710
77900
78185
78185
1.00
1.10
1.20
1.40
1.60
1.80
2.10
2.40
GK127R77
GKF127R77
GKA127 R 77
GKAF127R77
4P
475
515
445
485
0.09
0.11
0.12
0.14
0.16
0.18
0.21
0.23
0.25
0.30
11299
9641
8430
7519
6575
5739
4882
4470
4057
3442
14311
12211
10678
9524
8328
7269
6184
5662
5138
4360
61750
61750
61750
61750
61750
61750
61750
61750
61750
61750
0.80
0.90
1.00
1.15
1.30
1.45
1.75
1.90
2.10
2.50
GK107R77
GKF107R77
GKA107R77
GKAF107R77
4P
315
325
285
310
0.16
0.19
0.22
0.24
0.28
0.32
0.37
0.42
0.48
6360
5502
4758
4257
3686
3222
2829
2454
2176
8055
6969
6027
5392
4669
4081
3583
3108
2756
37525
38000
38000
38000
38000
38000
38000
38000
38000
0.80
0.85
0.95
1.05
1.25
1.40
1.60
1.85
2.10
GK97R57
GKF97R57
GKA97R57
GKAF97R57
4P
180
200
160
185
0.54
0.62
0.71
0.81
0.92
1.0
1.2
1910
1676
1465
1283
1129
996
870
2419
2123
1856
1625
1430
1261
1102
38000
38000
38000
38000
38000
38000
38000
2.50
2.70
3.10
3.55
4.05
4.60
5.25
GK97R57
GKF97R57
GKA97R57
GKAF97R57
4P
180
200
160
185
0.25
0.29
0.32
0.36
0.42
0.48
0.55
4136
3602
3187
2849
2452
2154
1872
5239
4562
4037
3609
3106
2728
2371
24985
25745
26030
26315
26695
26885
27075
0.80
0.80
0.90
1.00
1.15
1.35
1.55
GK87R57
GKF87R57
GKA87R57
GKAF87R57
4P
120
130
105
120
0.63
0.71
0.79
0.93
1.1
1.2
1.4
1.6
1.8
1647
1464
1309
1117
970
851
751
661
573
2086
1854
1658
1415
1229
1078
951
837
726
27170
27265
27265
27360
27455
27455
27550
27550
27550
1.75
1.95
2.20
2.55
2.95
3.35
3.80
4.35
5.00
GK87R57
GKF87R57
GKA87R57
GKAF87R57
4P
120
125
105
120
0.48
 
0.55
2148
 
1874
2721
 
2374
12730
 
14915
0.80
 
0.90
GK77R37
GKF77R37
GKA77R37
GKAF77R37
4P
70
79
63
71
0.64
0.74
0.86
0.94
1.1
1.2
1.4
1.6
1.8
2.1
1621
1401
1197
1097
963
833
730
645
561
492
2053
1775
1516
1390
1220
1055
925
817
710
623
15675
16625
17385
17670
18050
18240
18525
18620
18810
18905
1.00
1.15
1.35
1.50
1.70
1.95
2.25
2.55
2.95
3.35
GK77R37
GKF77R37
GKA77R37
GKAF77R37
4P
70
78
63
71
电机功率[kW]
输出转速[1/min]
输出转矩[Nm]
传动比
i
许用径向载荷[N]
使用系数fB
机型号
电机极数
质量
[kg]
0.12
0.97
1.1
1.3
1.5
1.7
1.9
2.1
2.4
2.8
3.1
3.6
4.1
4.7
5.3
6.0
1067
925
816
713
626
550
484
428
372
332
285
255
220
194
171
1351
1171
1034
903
793
697
613
542
471
420
361
323
279
246
217
8769
9975
10735
11400
11590
12065
12255
12350
12350
12350
12350
12350
12350
12350
12350
0.80
0.95
1.05
1.20
1.40
1.60
1.80
2.05
2.35
2.60
3.05
3.40
3.95
4.50
5.10
GK67R37
GKF67R37
GKA67R37
GKAF67R37
4P
46
52
43
49
 
1.4
1.6
1.9
2.1
2.4
2.8
3.1
3.6
4.1
4.7
5.3
6.1
6.8
715
636
552
486
429
373
332
286
252
221
194
170
152
906
806
699
615
544
473
421
362
319
280
246
215
192
7363
7809
8256
8484
8664
8788
8949
9035
9130
9225
9282
9339
9367
0.90
1.00
1.15
1.30
1.50
1.70
1.90
2.25
2.55
2.90
3.30
3.75
4.20
GK57R37
GKF57R37
GKA57R37
GKAF57R37
4P
40
45
38
44
 
2.1
2.4
2.6
3.1
3.5
4.0
4.5
505
436
391
336
296
257
228
639
552
495
426
375
326
289
2394
6033
6584
6878
7182
7287
7439
0.85
0.95
1.10
1.25
1.45
1.65
1.85
GK47R37
GKF47R37
GKA47R37
GKAF47R37
4P
34
37
33
36
 
3.8
4.3
4.9
5.6
6.4
7.2
8.2
9.6
273
240
211
185
162
143
126
107
346
304
267
234
205
181
160
136
4598
5358
5539
5757
5909
6014
6099
6175
0.80
0.90
1.00
1.15
1.30
1.50
1.70
2.00
GK37R17
GKF37R17
GKA37R17
GKAF37R17
4P
19
21
19
20
 
5.9
185
144.79
12350
4.40
GK67
GKF67
GKA67
GKAF67
6P*
35
41
32
38
 
5.9
6.9
7.8
8.3
9.4
11
186
159
139
132
116
98
145.15
123.85
108.29
102.88
90.26
76.56
9196
9272
9329
9348
9386
9434
3.20
3.80
4.30
4.60
5.20
6.20
GK57
GKF57
GKA57
GKAF57
6P*
29
34
27
33
 
9.0
11
12
13
15
121
103
90
86
75
145.15
123.85
108.29
102.88
90.26
9377
9424
9453
9462
9491
5.00
5.80
6.70
7.00
8.00
 
GK57
GKF57
GKA57
GKAF57
4P*
 
29
34
27
33
 
6.4
7.0
8.1
169
156
134
131.87
121.48
104.37
7534
7591
7667
2.40
2.60
3.00
GK47
GKF47
GKA47
GKAF47
6P*
22
26
22
24
 
9.9
 
11
110
 
101
131.87
 
121.48
7733
 
7762
3.70
 
4.00
GK47
GKF47
GKA47
GKAF47
4P*
22
26
22
24
 
电机功率[kW]
输出转速[1/min]
输出转矩[Nm]
传动比
i
许用径向载荷[N]
使用系数fB
机型号
电机极数
质量
[kg]
0.12
8.0
8.7
10
12
136
125
107
93
106.38
97.81
83.69
72.54
5919
5985
6090
6156
1.50
1.60
1.90
2.20
GK37
GKF37
GKA37
GKAF37
6P*
16
18
16
17
 
12
13
16
18
19
22
26
29
35
37
44
45
52
56
65
76
86
100
108
83
77
66
57
53
46
39
37
32
30
25
24
21
19
17
14
13
11
10
106.38
97.81
83.69
72.54
67.80
58.61
49.79
44.46
37.97
35.57
29.96
28.83
24.99
23.36
20.19
17.15
15.32
13.08
12.14
6175
6204
6242
6270
6280
6109
5824
5634
5377
5273
5007
4950
4731
4636
4427
4209
4066
3867
3772
2.30
2.50
2.90
3.30
3.50
4.10
4.80
5.40
6.30
6.80
8.00
8.40
9.60
10
11
13
14
15
16
 
 
 
 
 
 
 
GK37
GKF37
GKA37
GKAF37
 
 
 
 
 
 
4P
 
16
18
16
17

GK型斜齿轮弧齿锥齿轮减速电机的选型参数(电机功率为0.18KW)

选型参数表(恒功率)
电机功率[kW]
输出转速[1/min]
输出转矩[Nm]
传动比
i
许用径向载荷[N]
使用系数fB
机型号
电机极数
质量
[kg]
0.18
0.09
0.11
0.12
0.13
0.16
0.18
0.20
0.23
0.27
0.30
0.34
0.40
17578
14603
12813
11607
9908
8680
7615
6860
5831
5130
4564
3887
14843
12331
10819
9801
8366
7329
6430
5793
4924
4332
3854
3282
69540
75050
75905
76380
77045
77330
77710
77995
78185
78280
78375
7847
0.80
0.95
1.10
1.20
1.40
1.60
1.80
2.00
2.35
2.70
3.00
3.55
 
 
GK127R77
GKF127R77
GKA127R77
GKAF127R77
4P
 
 
475
515
445
485
0.16
0.18
0.21
0.23
0.25
0.30
0.34
0.39
0.44
0.50
0.57
9863
8608
7324
6705
6085
5163
4513
3977
3526
3077
2707
8328
7269
6184
5662
5138
4360
3811
3358
2977
2598
2286
61750
61750
61750
61750
61750
61750
61750
61750
61750
61750
61750
0.85
1.00
1.15
1.25
1.40
1.65
1.90
2.15
2.40
2.75
3.15
 
 
 
 
GK107R77
GKF107R77
GKA107R77
GKAF107R77
4P
 
 
 
 
315
325
285
310
0.28
0.32
0.37
0.42
0.48
5529
4833
4243
3681
3264
4669
4081
3583
3108
2756
37905
38000
38000
38000
38000
0.85
0.95
1.10
1.25
1.40
 
GK97R57
GKF97R57
GKA97R57
GKAF97R57
4P
 
180
200
160
185
0.54
0.62
0.71
0.81
0.92
1.0
1.2
1.4
1.5
1.8
2.0
2865
2514
2198
1924
1694
1439
1305
1133
1013
880
771
2419
2123
1856
1625
1430
1261
1102
957
855
743
651
38000
38000
38000
38000
38000
38000
38000
38000
38000
38000
38000
1.60
1.80
2.10
2.35
2.70
3.05
3.50
4.05
4.50
5.20
5.90
 
GK97R57
GKF97R57
GKA97R57
GKAF97R57
4P
 
180
200
160
185
 
0.42
0.48
0.55
 
3678
3231
2808
 
3106
2728
2371
 
25080
25745
26125
 
0.80
0.90
1.00
GK87R57
GKF87R57
GKA87R57
GKAF87R57
4P
120
130
105
120
 
电机功率[kW]
输出转速[1/min]
输出转矩[Nm]
传动比
i
许用径向载荷[N]
使用系数fB
机型号
电机极数
质量
[kg]
0.18
0.63
0.71
0.79
0.93
1.1
1.2
1.4
1.6
1.8
2470
2196
1964
1676
1455
1277
1126
991
860
2086
1854
1658
1415
1229
1078
951
837
726
 26410
26600
26790
26980
27170
27265
27360
27360
27455
1.15
1.30
1.45
1.70
1.95
2.25
2.55
2.90
3.35
 
GK87R57
GKF87R57
GKA87R57
GKAF87R57
4P
120
125
105
120
0.86
0.94
1.1
1.2
1.4
1.6
1.8
2.1
2.4
2.7
3.1
3.6
1795
1646
1445
1248
1095
968
841
738
655
574
507
436
1516
1390
1220
1054
925
817
710
623
553
485
428
368
13775
14725
15865
16720
17290
17765
18145
18430
18525
18715
18810
18905
0.90
1.00
1.15
1.30
1.50
1.70
1.95
2.25
2.50
2.85
3.25
3.75
 
GK77R37
GKF77R37
GKA77R37
GKAF77R37
4P
70
78
63
71
1.5
1.7
1.9
2.1
2.4
2.8
3.1
3.6
4.1
4.7
1069
936
825
726
642
558
497
428
383
330
903
793
697
613
542
471
420
361
323
279
5377
9139
10355
11020
11400
11685
11970
12160
12350
12350
0.80
0.95
1.05
1.20
1.35
1.55
1.75
2.05
2.25
2.65
GK67R37
GKF67R37
GKA67R37
GKAF67R37
4P
46
52
43
49
2.1
2.4
2.8
3.1
3.6
4.1
4.7
5.3
6.1
6.8
7.9
728
644
560
499
429
378
332
291
255
227
197
615
544
473
421
362
319
280
246
215
192
166
5301
7410
7885
8237
8455
8645
8826
8949
9063
9130
9215
0.90
1.00
1.15
1.30
1.50
1.70
1.90
2.20
2.50
2.80
3.25
GK57R37
GKF57R37
GKA57R37
GKAF57R37
 
4P
40
45
38
44
3.5
4.0
4.5
5.1
5.8
6.6
7.7
8.6
10
444
386
342
303
266
234
203
181
155
375
326
289
256
225
198
171
153
131
5634
6118
6574
6926
7125
7325
7467
7553
7638
0.95
1.10
1.25
1.40
1.60
1.80
2.10
2.35
2.75
GK47R37
GKF47R37
GKA47R37
GKAF47R37
 
4P
34
37
33
36
6.4
7.2
8.2
9.6
10
243
214
189
161
150
205
181
160
136
127
5035
5368
5605
5833
5890
0.85
1.00
1.10
1.30
1.40
 
GK37R17
GKF37R17
GKA37R17
GKAF37R17
4P
19
21
19
20
5.9
6.9
7.9
8.3
278
237
208
197
144.79
123.54
108.62
102.62
12350
12350
12350
12350
2.90
3.40
3.80
4.00
GK67
GKF67
GKA67
GKAF67
6P
36
41
33
39
 
9.0
11
12
 
180
154
135
 
144.79
123.54
108.02
 
12350
12350
12350
 
4.30
5.10
5.80
GK67
GKF67
GKA67
GKAF67
4P
35
41
32
38
 
电机功率[kW]
输出转速[1/min]
输出转矩[Nm]
传动比
i
许用径向载荷[N]
使用系数fB
机型号
电机极数
质量
[kg]
0.18
5.9
6.9
7.8
8.3
9.4
279
238
208
198
173
145.15
123.85
108.29
102.88
90.26
8873
9006
9111
9139
9215
2.10
2.50
2.80
3.00
3.40
GK57
GKF57
GKA57
GKAF57
6P
30
35
28
33
9.0
11
12
13
15
17
181
154
135
128
113
95
145.15
123.85
108.29
102.88
90.26
76.56
9187
9263
9320
9339
9386
9424
3.20
3.70
4.30
4.50
5.10
6.00
GK57
GKF57
GKA57
GKAF57
4P
29
34
27
33
6.4
7.0
8.1
9.4
10
253
233
201
175
164
131.87
121.48
104.37
90.86
85.12
7011
7154
7353
7486
7534
1.55
1.65
1.95
2.20
2.40
GK47
GKF47
GKA47
GKAF47
6P
24
27
23
26
10
11
13
14
15
164
151
130
113
106
131.87
121.48
104.37
90.86
85.12
7515
7572
7657
7714
7733
2.30
2.50
2.90
3.40
3.60
GK47
GKF47
GKA47
GKAF47
4P
23
27
23
25
8.0
8.7
10
12
204
188
161
139
106.38
97.81
83.69
72.54
5244
5425
5691
5862
0.95
1.05
1.20
1.40
GK37
GKF37
GKA37
GKAF37
6P
17
19
16
18
12
13
16
18
19
22
26
29
35
37
44
45
52
56
65
76
86
100
108
125
147
165
133
122
104
90
85
73
62
55
47
44
37
36
31
29
25
21
19
16
15
13
11
9.9
106.38
97.81
83.69
72.54
67.80
58.61
49.79
44.46
37.97
35.57
29.96
28.83
24.99
23.36
20.19
17.15
15.32
13.08
12.14
10.49
8.91
7.96
5900
5966
6080
6147
6175
5966
5710
5539
5301
5206
4959
4902
4703
4608
4418
4209
4066
3876
3781
3620
3439
3316
1.45
1.55
1.85
2.10
2.30
2.60
3.10
3.50
4.10
4.30
5.10
5.30
6.20
6.40
7.00
8.10
8.80
9.70
10
12
14
15
GK37
GKF37
GKA37
GKAF37
4P
16
18
16
17
页次:6/10  每页10条  共91条信息  分页:[1][2][3][4][5][6][7][8][9][10]

温州布鲁克纳减速机有限公司

电话:0577-63190889  传真:0577-63612722  地址:浙江省温州市平阳县鳌江镇鞋业园区D区8栋

减速机 减速机超市 Reducer - Gearbox