1.引言
数字控制机床,简称数控机床(NC , Numerical Control),是三十年来综合应用集机械、电气、液压、气动、微电子和信息等多项技术为一体的机电一体化产品,在机械制造设备中具有高精度、高效率、高自动化和高柔性化等优点。数控机床的技术水平高低及其在金属切削加工机床产量和总拥有量的百分比,是衡量一个国家国民经济发展和工业制造整体水平的重要标志之一。
台丰数控机械有限公司是一家中台合资专业数控机械制造企业,其生产的数控设备在许多领域有着广泛的应用,原来该公司机床全部采用进口变频器,现已逐步采用正弦303系列变频器。
本文主要介绍正弦303系列变频器在该公司TFDC7060机床、TFDC500机床、TFDC650等机床上的应用:

该数控车床适用于雕刻模具业、塑胶模具业、制鞋业、制表业、眼镜业、五金业、商标业、玩具业、工艺品业的加工等,能实现端面、外圆、切槽、内孔、圆弧、任意角度锥度等的车削。该车床主轴部分采用正弦303系列变频器。
SINE303系列变频器轻松完成数控车床主轴传动控制。
2.SINE303系列变频器特点:
1).磁场定向电流闭环矢量控制,电机变量完全解耦.
2).采用美国TI公司最新款高性能32位电机控制专用DSP,高速、准确完成复杂的控制算法,国内首家产品化应用。
3).0HZ时起动转矩能够达到150%额定输出 ,完全满足数控车床的的需求,确保机床在低速重切削时有强劲的切削力。
4).电机参数自动辨识功能,在线识别电机参数,保证系统的稳定性和精确性。
5).调速范围0~600.00Hz完全满足数控车床的高频要求 。
6).自动跟踪负载的变化并自动限定输出电流,使其不超过允许的最大电流值。即使负载突变、快速加减速,变频器也不发生过流、短路等故障,实现变频器配置的高性能、高可靠性。高速停机时响应快速稳定。
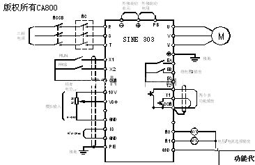
3.变频器接线图

4.参数设定:

5.调试结果
事实证明采用SINE303系列高性能矢量变频器完全能够满足机床主轴控制的要求。SINE303采用的领先的磁通算法,即使在低转速(低频)运行下也能平稳输出150%的转矩,以满足不同零件的加工需要,完全可以取代传统的滚动轴承主轴结构,并且此主轴结构简单、紧凑、可以实现真正的无级调速。此主轴的转速由外部模拟量信号来控制输出频率,在不同的加工工艺(如:粗加工、精加工等)需要不同的转速,此时可由数控系统输出不同的模拟量电压信号给变频器,实现不同的转速,同时启停信号也由数控系统控制,提高了自动化程度、延长了刀具的使用寿命。
6. 结束语
数控机床主轴一般采用交流伺服系统、进口品牌矢量控制变频器以及变频专用电机,购置费用很高;SINE303系列变频器以其独特的性能(启动电流小、调速平滑、调速范围大、节能环保、运行稳定、精度高、低频转矩大、保护功能齐全、可靠性高、操作维护简便等)和优越的性价比,在数控机床的应用上迅速崛起。