1 步进电机
步进电动机是纯粹的数字控制电动机,它将电脉冲信号转变成角位移,即给一个脉冲,步进电机就转一个角度,因此非常适合单片机控制。在非超载的情况下,电机的转速、停止的位置只取决于脉冲信号的频率和脉冲数,而不受负载变化的影响,电机则转过一个步距角,同时步进电机只有周期性的误差而无累积误差,精度高。
步进电动机有如下特点:
①步进电动机的角位移与输入脉冲数严格成正比。因此,当它转一圈后,没有累计误差,具有良好的跟随性。
②由步进电动机与驱动电路组成的开环数控系统,既简单、廉价,叉非常可靠。同时,它也可以与角度反馈环节组成高性能的闭环数控系统。
③步进电动机的动态响应快,易于启停、正反转及变速。
④速度可在相当宽的范围内平稳调整,低速下仍能获得较大转矩,因此一般可以不用减速器而直接驱动负载。
⑤步进电机只能通过脉冲电源供电才能运行,不能直接使用交流电源和直流电源。
⑥步进电机存在振荡和失步现象,必须对控制系统和机械负载采取相应措施。
步进电机具有控制和机械结构简单的优点。图1是四相六线制步进电机原理图,这类步进电机既可作为四相电机使用,也可做为两相电机使用,使用灵活,因此应用广泛。

步进电机有两种工作方式:整步方式和半步方式。以步进角1.8°四相混合式步进电机为例,在整步方式下,步进电机每接收一个脉冲,旋转1.8°,旋转一周,则需要2OO个脉冲。在半步方式下,步进电机每接收一个脉冲,旋转0.9°,旋转一周,则需要4OO个脉冲。控制步进电机旋转必须按一定时序对步进电机引线输入脉冲。以上述四相六线制电进电机为例,其半步工作方式和整步工作方式的控制时序如表1和表2所列。


步进电机在低频工作时.会有振动大、噪声大的缺点。如果使用细分方式,就能很好的解决这个问题。步进电机的细分控制,从本质上讲是通过对步进电机励磁绕组中电流的控制,使步进电机内部的合成磁场为均匀的圆形旋转磁场,从而实现步进电机步距角的细分。一般情况下,合成磁场矢量的幅值决定了步进电机旋转力矩的大小,相邻两合成磁场矢量之间的夹角大小决定了步距角的大小。步进电机半步工作方式就蕴涵了细分的工作原理。
实现细分方式有多种方法,最常用的是脉宽调制式斩波驱动方式,大多数专用的步进电机驱动芯片都采用这种驱动方式,TA8435就是其中一种芯片。
2 基于TA8435H芯片的步进电机细分方式
2.1 TA8435芯片特点
TA8435是东芝公司生产的单片正弦细分二相步进电机驱动专用芯片,该芯片具有以下特点:
①工作电压范围宽(10~40 v);
②输出电流可达1.5 A(平均)和2.5 A(峰值));
③具有整步、半步、1/4细分、1/8细分运行方式可供选择;
④采用脉宽调制式斩波驱动方式;
⑤具有正/反转控制功能;
⑥带有复位和使能引脚;
⑦可选择使用单时钟输入或双时钟输入。
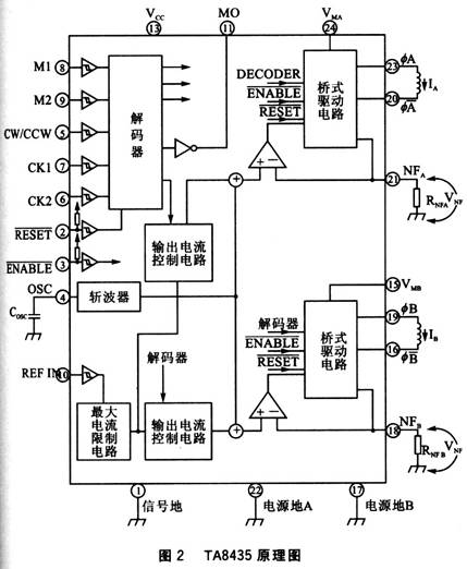
从图2中可以看出,TA8435主要由1个解码器、2个桥式驱动电路、2个输出电流控制电路、2个最大电流限制电路、1个斩波器等功能模块组成。

2.2 TA8435细分工作原理
在图3中,第一个CK时钟周期时,解码器打开桥式驱动电路,电流从VMA流经电机的线圈后经RNFA后与地构成回路,由于线圈电感的作用,电流是逐渐增大的,所以RNFB上的电压也随之上升。当RNFB上的电压大于比较器正端的电压时,比较器使桥式驱动电路关闭,电机线圈上的电流开始衰减,RNFB上的电压也相应减小;当电压值小于比较器正向电压时,桥式驱动电路又重新导通,如此循环,电流不断的上升和下降形成锯齿波,其波形如图3中IA波形的第1段。另外由于斩波器频率很高,一般在几十kHz,其频率大小与所选用电容有关。在OSC作用下.电流锯齿波纹是非常小的,可以近似认为输出电流是直流。在第2个时钟周期开始时,输出电流控制电路输出电压Ua达到第2阶段,比较器正向电压也相应为第2阶段的电压,因此,流经步进电机线圈的电流从第l阶段也升至第二阶段2。电流波形如图IA第2部分。第3时钟周期,第4时钟周期TA8435的工作原理与第1、2是一样的,只是又升高比较器正向电压而已,输出电流波形如图IA中第3、4部分。如此最终形成阶梯电流,加在线圈B上的电流,如图3中IB。在CK一个时钟周期内,流经线圈A和线圈B的电流共同作用下,步进电机运转一个细分步。

2.3步进电机的应用 原文位置
图4是单片机与TA8435相连控制步进电机的原理图。引脚M1和M2决定电机的转动方式:MI=0、M2=O,电机按整步方式运转;Ml=1、M2=0,电机按半步方式运转;M1=O、M2=1,电机按1/4细分方式运转;Ml=1、M2=1,电机按l/8步细分方式运转。CW/CWW控制电机转动方向,CKl、CK2时钟输入的最大频率不能超过5 kHz。控制时钟的频率,即可控制电机转动速率。REFIN为高电平时,NFA和NFB的输出电压为0.8 V,REFIN为低电平时,NFA和NFB输出电压为0.5 V,这2个引脚控制步进电机输入电流,电流大小与NF端外接电阻关系式为:,Io=Vref/Rnf。图4中,设REFIN=l,选用步进电机额定电流为0.4 A,Rl、R2选用1.6 Ω、2W的大功率电阻,O、C两线不接。步进电机按二相双极性使用,四相按二相使用时可以提高步进电机的输出转矩。D1~D4快恢复二极管用来泄放绕组电流。

以下是利用TA8435控制步进电机的程序,实现采用l/8细分方式控制步进电机顺时针方向转动的功能。利用定时器1向TA8435输出脉冲,用来控制步进电机转速。
3 结 论
本文介绍了步进电机的特点和TA8435芯片工作原理。使用细分方式可以提高步进电机的控制精度,降低步进电机的振动和噪声。因此,在低频工作时,可以选用1/4细分或1/8细分模式,以降低系统的振动和噪声。当系统需要在高速工作时,细分模式就有可能达不到要求的速度,这时可以选用整步或半步方式。在速度较高时,在整步或半步工作模式下,步进电机运行稳定,振动小,噪声也小。TA8435在细分、半步、整步几种工作模式之间的切换是相当容易的。使用TA8435控制步进电机具有价格低、控制简单、工作可靠的特点,所以具有很高的推广价值和广阔的应用前景。