异步电动机用变频器传动时的框图如图1所示,整流器将交流电变为直流电,平波回路将直流电平衡,逆变器将直流电逆变为频率可调的交流电。为了电动机的调速传动所给出的操作量有电压、电流、频率。

图1 变频器的基本构成
表1将实用化的变频器按主电路方式、控制方式等分类。各种方式的组合是为了充分发挥其控制特 性、适用电动机、容量范围、经济性等特点而设计制造的。
表1 逆变器的种类


作为变频器,通常采用三相逆变器。但这里为了简化电路,采用单相逆变器来说明电压型、电流型、电压控制、电流控制等逆变器的基本工作原理。
一、 电压型与电流型
作为主电路方式有电压型变频器和电流型变频器。电压型是将电压源的直流电变换成交流电的变频器,电流型是指将电流源的直流电变换为交流电的方式。
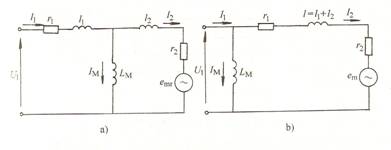
下面用机械开关来说明其基本动作。负载是异步电动机,采用图2(b)的等效电路(忽略IM、r1、r2),并为滞后功率因数负载。

图2 考虑了谐波的异步电动机等效电路
(一)电压型
电压型逆变器的原理图及其动作如图3所示。其中图a为单相桥式电压型逆变器,如果使开关S1~S4像图d那样导通、关断,那么负载电压u就成为矩形波交流电压,其大小等于直流电压源电压Ed,如图b中实线所示。这里假定负载电流i由于负载电感的平滑作用为正弦波交流电流,如图b中虚线所示。

图3 电压型逆变器的原理
a)电路构成 b)电压/电流波形 c)直流电流波形(瞬时功率) d)开关动作状态
现在,使开关S1、S2导通,由直流电压源Ed沿图a中①路线供给负载电流i。在时刻t1使这两个开关关断,同时使开关S3、S4导通,于是负载的无功功率就沿②路线反馈给直流电压源Ed。
考虑负载电流i和开关的动作状态,直流电流Id的波形如图c所示。另外,负载电压u与负载电流i的积为瞬时功率P,它与直流电流Id的波形相同。瞬时功率P的平均值Pa为向负载提供的有功功率。
时刻t1~t2的滞后角 相当于异步电动机的滞后功率因数角, 时有功功率为正(电动状态), 时为负(再生状态)。滞后角 与瞬时功率P及有功功率Pa的关系,如图4所示。

图4 滞后角 与瞬时功率P、有功功率Pa
当开关采用单方向导通的半导体开关器件时,以晶体管为例,为了向电源反馈(路线②),要同晶体管反并联续流二极管。
电压型变频器的主电路构成见表1中项1~3所列,由晶闸管或二极管、晶体管构成的整流器、平波电容(用作电压源)以及逆变器组成。
(二) 电流型
电流型变频器的原理及其动作如图5所示。其中图a为单相桥式电流型逆变器。如果使开关S1~S4像图d那样导通、关断,则负载电流i就变为矩形波交流电,大小等于直流电源电流Id,如图b中实线所示。负载电压u由负载的感应电动势e决定,为正弦波形,如图b中虚线所示。

图5 电流型逆变器原理图
a)电路构成 b)输出电压电流波形 c)直流电压波形(瞬时功率)
d)S1、S2动作、S3、S4动作
现在,使开关S1,S2导通,负载电流i从电流源经图示的路线①流出。在时刻t1关断这两个开关时,因为是电流源,负载电流必须急速地反向,但是电感负载的电流不可能瞬时反向,在负载两端需要有吸收电感储存能量的电路。在吸收此能量期间,负载两端将产生di/dt的尖峰电压。
由于能量吸收回路的作用,负载电流反向后,功率从负载向电源反馈,在时刻t2负载电压反向。此后,在S1,S2再次导通时刻t3之间的期间,为功率从电源流向负载的电动状态。
考虑负载电压u和开关的动作状态,直流电压波形Ed为图c的波形。另外瞬时功率P与直流电压波形相同。此瞬时功率P的平均值为有功功率Pa,如图c中虚线所示。
异步电动机的滞后功率因数角 与瞬时功率P和有功功率Pa的关系,同图4中的电压型逆变器波形一样。
采用半导体开关时,对于电流型逆变器通常采用晶闸管,它虽然需要换相电路,但可以兼用作能量吸收回路。
电流型逆变器的主电路构成见表1中的项4及5所列,变流器部分采用晶闸管,同时采用变流器与平波电抗器使它具有电流源作用。
二、 电压控制与电流控制
主电路方式分为电压型及电流型两类,控制方式也分为电压控制及电流控制两种。这两种方式,不管主电路方式是电压型还是电流型都可以适用。
通用变频器等采用电压控制方式,与输出频率成比例地控制输出电压。对于需要快速响应的用途则必须控制输出电流,可采用电流控制方式。
1.电压控制 通用变频器适用电压型的电压控制。表1中项1IGBT变频器和GTO晶闸管变频器,是在逆变器侧控制输出的电压和频率。输出电压的大小,可以利用半导体开关的导通率将输出电压控制成为正弦波。表1中项2及4的晶闸管变频器,是在整流器侧控制输出电压,在逆变器侧控制频率。
2.电流控制 对于要求类似直流电动机快速响应性的应用场合,为了快速控制异步电动机的转矩,适用电流控制。
表1中项5的电流型晶闸管变频器,在逆变器侧控制频率,在整流器侧控制电流。该表中项3,用晶体管和GTO晶闸管构成的电压型变频器则适用这样的电流控制方式,利用逆变器侧的导通率将输出电流控制成为正弦波。
三、 PAM与PWM
输出电压或输出电流的控制,可以在整流器侧或逆变器侧进行。作为这种输出的控制手段有PAM和PWM两种方式。
(一)PAM(Pulse Amplitude Modulation)
PAM是一种改变电压源的电压Ed(见图3)或电流源的电流Id(见图5)的幅值,进行输出控制的方式。因此,在逆变器只控制频率,在整流器侧控制输出的电压或电流。采用PAM调节电压时,高电压及低电压时的输出电压波形如图6所示。

图6 采用PAM的电压调节
a)高电压时 b)低电压时
表1中项2、4、5的晶闸管逆变器,其换相时间需要100~数百µs,所以,难以做到用晶闸管来开关实现PWM控制,要采用在逆变器只控制频率的PAM方式。
(二)PWM(Pulse Width Modulation)
在异步电动机恒转矩的变频调速系统中,随着变频器输出频率的变化,必须相应地调节其输出电压。另外,在变频器输出频率不变的情况下,为了补偿电网电压和负载变化所引起的输出电压波动,也应适当地调节其输出电压。具体实现调压和调频的方法有很多种,但总的来说,从变频器的输出电压和频率的控制方法来看,基本上按前所述分为PAM和PWM(PAM前已介绍,此处讨论PWM)。
PWM型变频器靠改变脉冲宽度来控制输出电压,通过改变调制周期来控制其输出频率,所以脉冲调制方法对PWM型变频器的性能具有根本性的影响。脉宽调制的方法很多,从调制脉冲的极性上看,可以分为单极性和双极性调制两种;从载频信号和参考信号(基准信号)频率之间的关系来看,又可以分为同步式和非同步式两种。
1. 单极性调制
1)单极性直流参考电压调制方法,以图7所示电压型三相桥式变频器的原理电路为例,大功率晶体管变频器的基极驱动信号在控制电路中一般常采用载频信号Uc与参考信号Ur相比较产生,这里Uc采用单极性等腰三角形锯齿波电压,而Ur采用直流电压。在Uc与Ur波形相交处发出调制信号,部分脉冲调制波形如图8所示。图中画出的是经过三相对称倒相后的a、b点电位、U’oo和相电压Uao的脉冲列波形。在一个周期内有12个三角形,即载频三角波的频率fΔ为输出频率fo的12倍(fΔ可以是fo的任意6的整数倍)。输出波形正负半周对称,主电路中的6个开关器件以1—2—3—4—5—6—1顺序轮流工作,每个开关器件都是半周工作,通、断6次输出6个等幅、等宽、等距脉冲列,另半周总处于阻断状态。

图7 电压型三相桥式变频器原理电路

图8 单极性直流参考信号的部分调制脉冲波形
输出的相电压波形每半个周期出现6个等宽等距脉冲,中间两个脉幅高(2E/3)两边4个脉幅低(E/3),正负半周对称,这个脉冲波形可以分解为基波电压U1和一系列谐波电压,基波电压就是要求输出的交流电压,而谐波电压分量愈小愈好。
从波形图可以看出:当三角波幅值一定,改变参考直流信号Ur的大小时,输出脉冲的宽度即将随之改变,从而改变输出基波电压的大小;改变载频三角波的频率并保持每周的输出脉冲数不变,就可以实现输出电压频率的调节。显然,同时改变三角波的频率和参考直流信号电压Ur的大小,就可以使变频器的输出在变频的同时相应地改变电压的大小。
上述调制方式是在改变输出频率的同时改变三角波的频率,使每半周包含的三角波数和相位不变,正、负半周波形始终保持完全对称。这种调制方式叫做同步脉冲调制方式。同步调制方式虽然由于输出波形正负半周完全对称,只有奇次谐波,没有偶次谐波,但是每周的输出脉冲数不变,低频输出时谐波影响大。
2)单极性正弦波脉宽调制方式及参考信号Ur为正弦波的脉宽调制,一般叫做正弦波脉宽调制,简称SPWM。产生的调制波是一系列等幅、等距而不等宽的脉冲列,如图9所示。

图9 正弦波脉宽调制波形
SPWM调制的基本特点是在半个周期内,中间的脉冲宽,两边的脉冲窄,各脉冲之间等距而脉宽和正弦曲线下的积分面积成正比,脉宽基本上成正弦分布。经倒相后正半周输出正脉冲列,负半周输出负脉冲列。由波形可见,SPWM比PWM的调制波形更接近于正弦波,谐波分量大为减小。
输出电压的大小和频率均由正弦参考电压Ur来控制。当改变Ur的幅值时,脉宽即随之改变,从而改变输出电压的大小;当改变Ur的频率时,输出电压频率即随之改变。但要注意正弦波的幅值Urm必须小于等腰三角形的幅值Ucm,否则就得不到脉宽与其对应正弦波下的积分成正比这一关系。输出电压的大小和频率就将失去所要求的配合关系。
图9只画出单相脉宽调制波形。对于三相变频器,必须产生相位差为120º的三相调制波。载频三角波三相可以共用,但必须有一个可变频变幅的三相正弦波发生器,产生可变频变幅的三相正弦参考信号,然后分别比较产生三相输出脉冲调制波。
若三角波和正弦波的频率成比例地改变,不论输出频率高低,每半周的输出脉波数不变,即为同步调制式。
若三角波频率一定,只改变正弦参考信号的频率,正、负半周的脉波数和相位在不同输出频率下就不是完全对称的了,这种方式叫非同步脉宽调制方式。非同步虽然正、负半周输出波形不能完全对称,会出现偶次谐波,但是每周的输出的调制脉波数将随输出频率的降低而增多,有利于改善低频输出特性。
2.双极性调制 上述单极性脉宽调制,脉冲的极性不改变,要正、负半周输出不同极性的脉冲,必须另加倒相电路。与此相对应,若在调制过程中,载频信号和参考信号的极性交替地不断改变则称为双极性调制。其调制波形如图10所示,图中画出三相调制波形。与上述单极性SPWM的情况相同,输出电压的大小和频率也是由改变正弦参考信号Ur的幅值大小和频率调制的。参考信号也可以采用阶梯式准正弦波。

图10 三相正弦波脉宽调制波形
这种正弦波脉宽调制方式,当然也可以采用同步式和非同步式的调制方式。但SPWM型变频器带异步电动机负载时,在脉宽调制过程中,要根据异步电动机变频调速控制特性的要求,在调节正弦参考信号频率的同时,要相应地适当调节其幅值,使输出基波电压的大小与频率之比为恒值,即保持U1/f1=常数。
3.“Δ”调制(DM)方式 “Δ”脉宽调制方式(Delta Modulation Technique)的调制电路及波形如图11所示。只要输入可变频恒幅正弦波参考电压Ur,就可以平滑地变换出调制工作脉冲,而且能够自然保持输出基波电压与频率之比为恒值。
“Δ”脉宽调制电路的基本工作原理:正弦波参考信号电压Ur加在运算放大器A1的同相输入端,A1作为比较器工作。当Ur从零上升时,A1的输出电压U1迅速升到正饱和值Us,+Us电压经运算放大器A2作反向积分,其输出电压UF负向线性增长,UF和+U1经R2、R3综合加到运算放大器A3的反相输入端,R3>R2,A3输出正向上升电压UK,UK与Ur在运算放大器A1中相比较,当UK< SPAN>r时,A1输出保持+Us,一旦UK上升到UK>Ur时,A1迅速翻转输出负饱和电压-Us。-Us电压再经运算放大器A2反向积分,使其输出UF负值线性减小,从而使A3的输出电压UK也随之减小,当UK< SPAN>r时,U1又转换为+Us,UF负值又增大,UK再次上升,如此循环不已,便得到图11所示的“Δ”脉宽调制波形。

图11 “Δ”脉宽调制电路及波形
“Δ”脉宽调制电路具有一个可贵的特性,就是当输入正弦波参考电压Ur的幅值一定时,其输出调制脉冲列U1的基波电压大小与其频率之比随时保持恒值,这个U1/fo为恒值的特性正符合异步电动机变频调速对PWM逆变器输出的要求。
四、 多重化变频器
表1中项2、4、5的PAM方式变频器,其输出波形为矩形波。为了获得近似正弦波或者获得高压,有时采用多重化变频器。
图12为多重化变频器的原理。将单相变频器的电压波形(或电流波形)按傅立叶级数展开,则含有不少高次谐波。并在图中给出了3次谐波。

图12 多重化的原理
如果将相位差为60º的两台单相变频器的输出U1、U2图12a与图b合成,则合成输出的导通宽度为120º。U1、U2所含的3次谐波相位相差180º,在输出中被互相抵消。这就叫作多重化。这种多台变频器的多重化可以抵消谐波,改善波形;输出为两台变频器之和,容易实现大容量化。
电压型、电流型两种变频器的多重化构成原理图,如图13所示。变频器的输出采用输出变压器来实现多重化,变压器的二次绕组对于电压型变频器为串联连接,对于电流型为并联连接。

图13 变频器的多重化构成原理图
a)电压型 b)电流型
五、 正转和反转
三相电源中任意两相交换输入,就会发生反转。变频器可以用电子回路改变相序实现反转。
六、 电动与再生
异步电动机的转差率为正时,产生电动转矩,为负时则产生制动转矩。因此,想使异步电动机制动,显然使变频器频率从与电动机转速相应的频率下降即可。
此时,为了使转动能量反馈到变频器侧(再生),必须具有吸收与此转动能量相对应的电功率的能力。
1.采用电压型逆变器时 当变频器的频率低于电动机的转速时,续流二极管是作为以电动机为电源的整流器而工作,由电动机产生的再生功率流入直流电源回路的平波电容中。在这种情况下,对于通用小容量变频器要装设电阻(见表1),再生时用此电阻将再生功率消耗掉。对于大容量变频器,则采用可逆整流器将再生功率反馈给电源。
2.采用电流型变频器时 对于电流型变频器,再生时直流电流方向不变,而直流电压的方向反向,所以整流器部分不需要可逆方式,用不可逆整流器即可。图14示出电流型变频器的直流电流与直流电压的关系。

图14 电流逆变器的电动、再生运转
a)电动运转 b)再生运转