Product list产品列表
Customer service在线客服
推荐产品
CWS圆弧圆柱蜗杆减速机 |
|||||||||||||||||||||||||||||||||||||||||||||||||||||||||||||||||||||||||||||||||||||||||||||||||||||||||||||||||||||||||||||||||||||||||||||||||||||||||||||||||||||||||||||||||||||||||||||||||||||||||||||||||||||||||||||||||||||||||||||||||||||||||||||||||||||||||||||||||||||||||||||||||||||||||||||||||||||||||||||||||||||||||||||||||||||||||||||||||||||||||||||||||||||||||||||||||||||||||||||||||||||||||||||||||||||||||||||||||
![]()
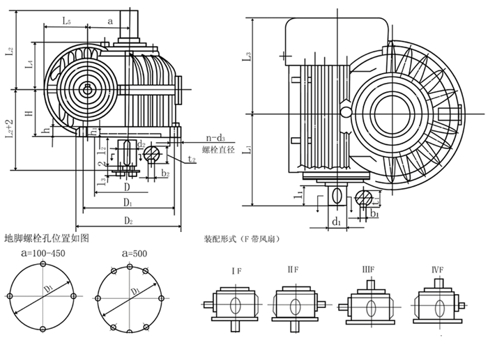
CWS圆弧圆柱蜗杆减速器概述及标记示例(GB9147—88) CW系列圆弧圆柱蜗杆减速器
概述
本系列减速器符合中华人民共和国国家标准(GB9147—88)
主要包括:CWU 蜗杆在下型 CWS 蜗杆在侧型 CWO蜗杆在上型
中心距有16种a=63、80、100、125、140、160、180、200、225、250、280、315、355、400、450、 500。
传动比有12种i=5、6.3、8、10、12.5、16、20、25、31.5、40、50、63
![]() ![]()
|
|||||||||||||||||||||||||||||||||||||||||||||||||||||||||||||||||||||||||||||||||||||||||||||||||||||||||||||||||||||||||||||||||||||||||||||||||||||||||||||||||||||||||||||||||||||||||||||||||||||||||||||||||||||||||||||||||||||||||||||||||||||||||||||||||||||||||||||||||||||||||||||||||||||||||||||||||||||||||||||||||||||||||||||||||||||||||||||||||||||||||||||||||||||||||||||||||||||||||||||||||||||||||||||||||||||||||||||||||



