会员登录  浏览量:1199296次
河南同济重工机械制造有限公司
Henan Tongji Heavy Machinery Manufacturing Co., Ltd

产品展示

    TH-826摆线针轮减速外形及安装尺寸

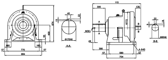
800系列摆线针轮减速机TH-826外形及安装尺寸

    TH-827摆线针轮减速外形及安装尺寸

 

TH-827摆线针轮减速外形及安装尺寸

    TV-806摆线针轮减速机外形及安装尺寸

TV-806摆线针轮减速机外形及安装尺寸

    TV-807摆线针轮减速机外形及安装尺寸

TV-807摆线针轮减速机外形及安装尺寸

    TV-808摆线针轮减速机外形及安装尺寸

TV-808摆线针轮减速机外形及安装尺寸

    TV-809摆线针轮减速机外形及安装尺寸

TV-809摆线针轮减速机外形及安装尺寸

    TV-810摆线针轮减速机外形及安装尺寸

    TV-811摆线针轮减速机外形及安装尺寸

TV-811摆线针轮减速机外形及安装尺寸

    TV-812摆线针轮减速机外形及安装尺寸

TV-812摆线针轮减速机外形及安装尺寸

    TV-813摆线针轮减速机外形及安装尺寸

800系列摆线针轮减速机TV-813外形及安装尺寸

页次:9/12  每页10条  共111条信息  分页:[1][2][3][4][5][6][7][8][9][10][>>][尾页]

河南同济重工机械制造有限公司

电话:0391-3706888  传真:0391-3828000  地址:河南省温县产业集聚区纬二路53号

减速机 减速机超市 Reducer - Gearbox