会员登录  浏览量:1627311次
浙江双联机械有限公司
Zhejiang Shuanglian Machinery Co., Ltd

Product list产品列表

Customer service在线客服

微信:

E-mail:  jiansuji001@163.com

产品展示

    GS系列减速电机选型参数表(570Nm)
选型参数表(恒扭矩)
最大输出
转矩[Nm]
输出转速
[1/min]
传动比i
许用径向
载荷[N]
机型号
电机极数
电机功率
[kW]
质量
[kg]
570
0.07
0.07
0.08
0.08
0.10
0.11
0.13
0.14
0.16
0.19
0.21
0.24
21362
19594
18120
16682
14383
12774
11013
9694
8529
7455
6531
5759
7781
7781
7781
7781
7781
7781
7781
7781
7781
7781
7781
7781
GS67R37
GSF67R37
GSA67R37
GSAF67R37
4P
0.12
40
47
41
46
0.28
0.32
0.36
0.41
0.47
0.53
0.61
0.69
0.78
0.89
1.0
1.2
4965
4410
3880
3432
2944
2630
2279
2014
1772
1559
1363
1194
7781
7781
7781
7781
7781
7781
7781
7781
7781
7781
7781
7781
GS67R37
GSF67R37
GSA67R37
GSAF67R37
4P
0.12
40
47
41
46
1.3
 
1.5
1045
 
914
7781
 
7781
GS67R37
GSF67R37
GSA67R37
GSAF67R37
4P
0.18
40
47
41
46
1.7
 
2.0
809
 
712
7781
 
7781
GS67R37
GSF67R37
GSA67R37
GSAF67R37
4P
0.18
40
47
41
46
2.3
 
2.6
615
 
543
7781
 
7781
GS67R37
GSF67R37
GSA67R37
GSAF67R37
4P
0.25
41
47
42
46
 
3.0
3.3
3.8
 
469
424
365
 
7781
7781
7781
GS67R37
GSF67R37
GSA67R37
GSAF67R37
4P
0.37
42
48
43
47
4.4
4.9
5.7
6.3
319
281
246
221
7781
7781
7781
7781
GS67R37
GSF67R37
GSA67R37
GSAF67R37
4P
0.55
44
50
45
49
7.0
198
7781
GS67R37
GSF67R37
GSA67R37
GSAF67R37
4P
0.75
45
51
46
50
    GS系列减速电机选型参数表(1270Nm)
选型参数表(恒扭矩)
最大输出
转矩[Nm]
输出转速
[1/min]
传动比i
许用径向
载荷[N]
机型号
电机极数
电机功率
[kW]
质量
[kg]
1270
0.05
0.06
0.07
0.08
0.09
0.11
0.12
0.14
0.16
0.18
0.21
0.23
0.27
0.30
0.35
0.39
25493
21787
19907
17013
14668
13110
11569
9887
8817
7735
6735
5943
5214
4618
3992
3540
11115
11115
11115
11115
11115
11115
11115
11115
11115
11115
11115
11115
11115
11115
11115
11115
GS77R37
GSF77R37
GSA77R37
GSAF77R37
4P
0.12
60
69
59
66
0.45
 
 
3098
 
 
11115
 
 
GS77R37
GSF77R37
GSA77R37
GSAF77R37
4P
0.18
60
69
59
66
GS系列减速电机选型参数表(1240Nm)   
选型参数表(恒扭矩)
最大输出
转矩[Nm]
输出转速
[1/min]
传动比i
许用径向
载荷[N]
机型号
电机极数
电机功率
[kW]
质量
[kg]
1240
0.50
 
0.59
2753
 
2374
11400
 
11400
GS77R37
GSF77R37
GSA77R37
GSAF77R37
4P
0.12
60
69
59
66
0.67
0.77
0.80
0.87
2083
1813
1745
1600
11400
11400
11400
11400
GS77R37
GSF77R37
GSA77R37
GSAF77R37
4P
0.18
60
69
59
66
0.99
 
1.1
1404
 
1245
11400
 
11400
GS77R37
GSF77R37
GSA77R37
GSAF77R37
4P
0.25
60
70
60
66
1.3
1100
114000
GS77R37
GSF77R37
GSA77R37
GSAF77R37
4P
0.25
60
70
60
66
 
1.5
1.7
1.9
 
954
837
714
 
11400
11400
11400
GS77R37
GSF77R37
GSA77R37
GSAF77R37
4P
0.37
61
71
60
67
 
2.2
2.4
2.8
 
637
574
499
 
11400
11400
11400
GS77R37
GSF77R37
GSA77R37
GSAF77R37
4P
0.55
63
73
62
69
3.2
 
3.6
438
 
389
11400
 
11400
GS77R37
GSF77R37
GSA77R37
GSAF77R37
4P
0.75
64
74
63
70
4.3
4.8
5.6
6.4
327
289
250
219
11400
11400
11400
11400
GS77R37
GSF77R37
GSA77R37
GSAF77R37
4P
1.1
69
79
69
75
    GS系列减速电机选型参数表(2500Nm)
选型参数表(恒扭矩)
最大输出
转矩[Nm]
输出转速
[1/min]
传动比i
许用径向
载荷[N]
机型号
电机极数
电机功率
[kW]
质量
[kg]
2500
0.05
0.06
0.07
0.08
0.08
0.09
0.11
0.12
0.14
0.16
0.18
0.21
25987
23940
20568
18265
16774
14820
13160
11200
9904
8549
7643
6706
26125
26125
26125
26125
26125
26125
26125
26125
26125
26125
26125
26125
GS87R57
GSF87R57
GSA87R57
GSAF87R57
4P
0.12
112
132
107
122
 
0.24
0.27
0.30
 
5875
5187
4606
 
26125
26125
26125
GS87R57
GSF87R57
GSA87R57
GSAF87R57
4P
0.18
112
132
107
122
0.36
3872
26125
GS87R57
GSF87R57
GSA87R57
GSAF87R57
4P
0.25
112
132
107
122
0.40
 
0.48
3475
 
2905
26125
 
26125
GS87R57
GSF87R57
GSA87R57
GSAF87R57
4P
0.25
112
132
107
122
 
0.54
0.60
0.68
 
2586
2335
2054
 
26125
26125
26125
GS87R57
GSF87R57
GSA87R57
GSAF87R57
4P
0.37
112
132
107
122
0.76
0.85
1.0
1.2
1824
1631
1332
1191
26125
26125
26125
26125
GS87R57
GSF87R57
GSA87R57
GSAF87R57
4P
0.55
112
137
112
127
 
1.3
1.5
1.7
 
1032
930
831
 
26125
26125
26125
GS87R57
GSF87R57
GSA87R57
GSAF87R57
4P
0.75
112
137
112
127
 
1.9
2.2
2.5
 
719
624
558
 
26125
26125
26125
GS87R57
GSF87R57
GSA87R57
GSAF87R57
4P
1.1
117
142
117
132
2.9
485
26125
GS87R57
GSF87R57
GSA87R57
GSAF87R57
4P
1.5
122
142
117
137
GS系列减速电机选型参数表(2450Nm)   
选型参数表(恒扭矩)
最大输出
转矩[Nm]
输出转速
[1/min]
传动比i
许用径向
载荷[N]
机型号
电机极数
电机功率
[kW]
质量
[kg]
2450
3.2
 
3.7
435
 
378
26220
 
26220
GS87R57
GSF87R57
GSA87R57
GSAF87R57
4P
1.5
122
142
117
137
    GS系列减速电机选型参数表(2400Nm)
选型参数表(恒扭矩)
最大输出
转矩[Nm]
输出转速
[1/min]
传动比i
许用径向
载荷[N]
机型号
电机极数
电机功率
[kW]
质量
[kg]
2400
4.4
 
5.1
323
 
281
26315
 
26315
GS87R57
GSF87R57
GSA87R57
GSAF87R57
4P
2.2
127
152
127
142
    GS系列减速电机选型参数表(4200Nm)
选型参数表(恒扭矩)
最大输出
转矩[Nm]
输出转速
[1/min]
传动比i
许用径向
载荷[N]
机型号
电机极数
电机功率
[kW]
质量
[kg]
4200
0.04
0.04
0.05
0.06
0.06
0.07
0.09
0.10
0.11
0.12
0.14
33818
31154
27847
24641
21537
18749
16233
14576
12752
11267
10078
31160
31160
31160
31160
31160
31160
31160
31160
31160
31160
31160
GS97R57
GSF97R57
GSA97R57
GSAF97R57
4P
0.12
172
202
167
192
0.16
0.18
0.21
0.24
0.28
8608
7554
6640
5780
4937
31160
31160
29735
29735
29735
GS97R57
GSF97R57
GSA97R57
GSAF97R57
4P
0.18
172
202
167
192
 
0.31
0.35
0.40
 
4444
4017
3453
 
29735
29735
29735
GS97R57
GSF97R57
GSA97R57
GSAF97R57
4P
0.25
172
202
167
192
 
0.45
0.52
0.60
 
3108
2654
2329
 
29735
29735
29735
GS97R57
GSF97R57
GSA97R57
GSAF97R57
4P
0.37
172
202
167
192
 
0.67
0.75
0.88
 
2081
1860
1574
29735
29735
29735
29735
GS97R57
GSF97R57
GSA97R57
GSAF97R57
4P
0.55
172
202
167
197
 
1.0
1.1
1.3
 
1394
1223
1070
 
29735
29735
29735
GS97R57
GSF97R57
GSA97R57
GSAF97R57
4P
0.75
172
202
167
197
1.5
 
1.7
928
 
824
29735
 
29735
GS97R57
GSF97R57
GSA97R57
GSAF97R57
4P
1.1
177
212
172
202
 
2.0
2.2
2.6
 
714
626
538
 
31160
29735
29735
GS97R57
GSF97R57
GSA97R57
GSAF97R57
4P
1.5
182
212
177
202
 
2.9
3.4
3.8
 
484
420
376
 
29830
29830
29830
GS97R57
GSF97R57
GSA97R57
GSAF97R57
4P
2.2
187
222
182
207
4.3
 
4.9
327
 
287
29925
 
29925
GS97R57
GSF97R57
GSA97R57
GSAF97R57
4P
3
192
227
187
212
5.7
 
6.6
252
 
219
29925
 
30020
GS97R57
GSF97R57
GSA97R57
GSAF97R57
4P
4
197
232
192
222

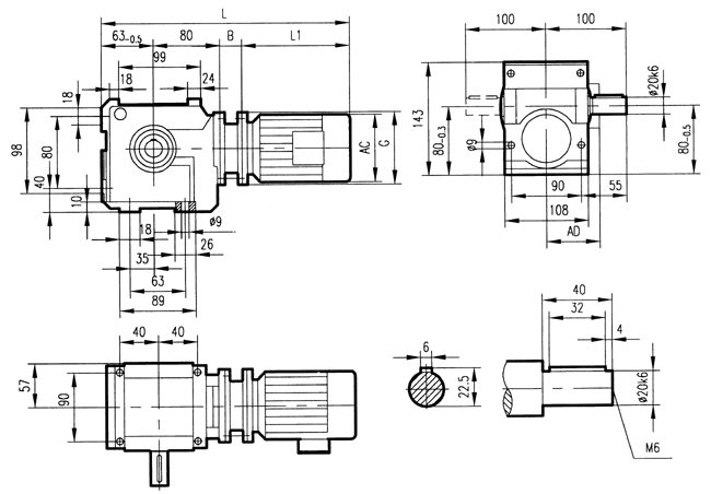
GS37系列减速电机安装结构尺寸

GS37系列减速电机安装结构尺寸

    GS37安装结构尺寸
电机机座号
63
71
80
90S
90L
AC
130
145
175
195
195
AD
70
80
145
155
155
B
45
50.5
60.5
60.5
60.5
G
140
160
200
200
200
L1
207
225
255
270
295
L
395
418.5
458.5
473.5
498.5
    注:机座80,90超过底座。

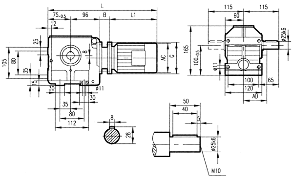
GS47系列减速电机安装结构尺寸

GS47系列减速电机安装结构尺寸

    GS47安装结构尺寸
电机机座号
63
71
80
90S
90L
AC
130
145
175
195
195
AD
70
80
145
155
155
B
45
50.5
60.5
60.5
60.5
G
140
160
200
200
200
L1
207
225
255
270
295
L
423
446.5
486.5
501.5
526.5
    注:机座80,90超过底座。

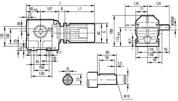
GS57系列减速电机安装结构尺寸

GS57系列减速电机安装结构尺寸

    GS57安装结构尺寸
电机机座号
63
71
80
90S
90L
100L
AC
130
145
175
195
195
215
AD
70
80
145
155
155
180
B
45
50.5
60.5
60.5
60.5
85.5
G
140
160
200
200
200
250
L1
207
225
255
270
295
325
L
439
462.5
502.5
517.5
542.5
597.5
    注:机座80,90,100L超过底座。
页次:4/7  每页10条  共70条信息  分页:[1][2][3][4][5][6][7]

浙江双联机械有限公司

电话:0577-86291829  传真:0577-86291599  地址:浙江省温州市经济技术开发区慎江路38号

减速机 减速机超市 Reducer - Gearbox