会员登录  浏览量:1627262次
浙江双联机械有限公司
Zhejiang Shuanglian Machinery Co., Ltd

Product list产品列表

Customer service在线客服

微信:

E-mail:  jiansuji001@163.com

产品展示

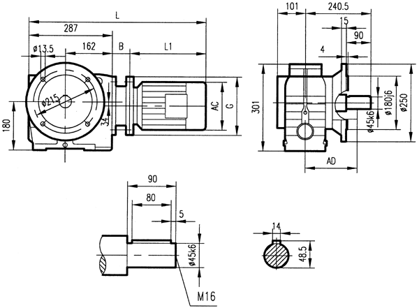
GSF57系列减速电机安装结构尺寸

GSF57系列减速电机安装结构尺寸

    GSF57系列减速电机安装结构尺寸

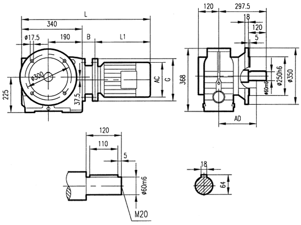
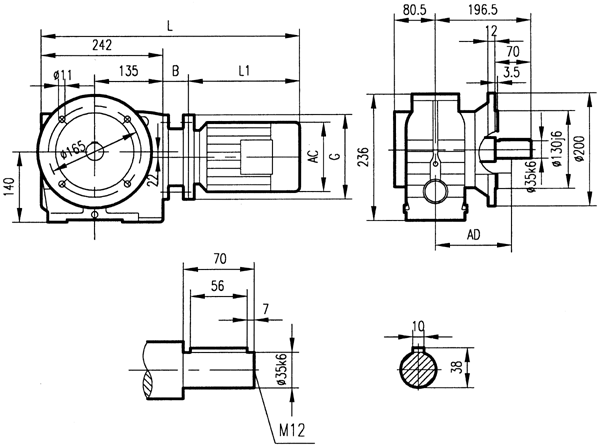
GSF67系列减速电机安装结构尺寸

GSF67系列减速电机安装结构尺寸

    GSF67系列减速电机安装结构尺寸

电机机座号
63
71
80
90S
90L
100L
AC
130
145
175
195
195
215
AD
70
80
145
155
155
180
B
45
50.5
60.5
60.5
60.5
85.5
G
140
160
200

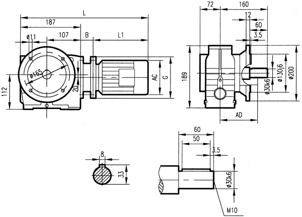
GSF77系列减速电机安装结构尺寸

GSF77系列减速电机安装结构尺寸

    GSF77系列减速电机安装结构尺寸

电机机座号
63
71
80
90S
90L
100L
112M
132S
AC
130
145
175
195
195
215
240
275
AD
70
80
145
155
155
180
190
210
B
44.5
50
69
69
<DIV align=

GSF87系列减速电机安装结构尺寸

GSF87系列减速电机安装结构尺寸

    GSF87系列减速电机安装结构尺寸

电机机座号
63
71
80
90S
90L
100L
112M
132S
132M
AC
130
145
175
195
195
215
240
275
275
AD
70
80
145
155
155
180
190
210
210
B
44.5
<DIV al

GSF97系列减速电机安装结构尺寸

GSF97系列减速电机安装结构尺寸

    GSF97系列减速电机安装结构尺寸

电机机座号
80
90S
90L
100L
112M
132S
132M
160M
160L
AC
175
195
195
215
240
275
275
330
330
AD
145
155
155
180
190
210
210
255
255
B
70
<DI

GSSZ37-97系列减速电机安装结构尺寸

GSSZ37-97系列减速电机安装结构尺寸

    GSSZ37-97系列减速电机安装结构尺寸

电机机座号
80
90S
90L
100L
112M
132S
132M
160M
160L
180M
180L
AC
175
195
195
215
240
275
275
330
330
380
380
AD
145
155
155
180
190
210
210
255</

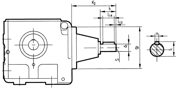
GSAT37系列减速电机安装结构尺寸

GSAT37系列减速电机安装结构尺寸

    GSAT37系列减速电机安装结构尺寸

机型号
d1
g2
k2
l1
S
L13
L14
f1
U1
GSSZ37
16k6
120
115
40
M5
4
32
18
5
GSSZ47
16k6
120
115
40
M5
4
32
18
5
GSSZ57
16k6
<DIV align=cen
机型号
a
b
i
P
R
d1
L  0 1-0.3
L2
GSAT37
57
10
26
110
21
10.4+0.1 -0.1
36
31

    其它尺寸请按照GSA型。
    螺栓Ⅰ、螺母Ⅱ用户自配。

GSAT47-97系列减速电机安装结构尺寸

GSAT47-97系列减速电机安装结构尺寸

    GSAT47-97系列减速电机安装结构尺寸

GS..R系列减速电机安装结构尺寸

GS..R系列减速电机安装结构尺寸

    GS..R系列减速电机安装结构尺寸

机型号
a
B
i
P
R
d1
L  0 1-0.3
L2
GSAT47
57.5
15
20.5
130
21
10.4+0.10 -0.10
36
31
GSAT57
72
15
18.5
160
21
10.4+0.10 -0.10
36
31
GSAT67
80.5
18
19.5
200
21
</T

               

            点击查看GS型减速机实体模型                    点击查看GSA型减速机实体模型

               

             点击查看GSF型减速机实体模型                   点击查看GSSZ型减速机实体模型

 

如初次打开请耐心等待安装浏览插件

若安装不成功请点击下载eDrawings2007浏览插件

 

机型号
电机机座号
L
GS..37R17
63
175
71
180.5
80
190.5
GS..47R17
GS..57R17
63
175
71
180.5
80
190.5
GS..67R37
63
202
71
207.5
80
217.5
GS..77R37
63
202
71
207.5
<DIV align=cen
页次:7/7  每页10条  共70条信息  分页:[1][2][3][4][5][6][7]

浙江双联机械有限公司

电话:0577-86291829  传真:0577-86291599  地址:浙江省温州市经济技术开发区慎江路38号

减速机 减速机超市 Reducer - Gearbox